Смотреть видео: Кнопка ловато подключение



Кнопка ловато подключение

Кнопка ловато подключение Вопрос Установка карбюраторной газовой кнопки - ЗАЗ 1102, 1,1 л, 1992 года элект
Вопрос Установка карбюраторной газовой кнопки - ЗАЗ 1102, 1,1 л, 1992 года элект
Кнопка ловато подключение Купить кнопку Lovato 4 поколения SevenGas. Магазин ГБО из Челябинска.
Купить кнопку Lovato 4 поколения SevenGas. Магазин ГБО из Челябинска.
Кнопка ловато подключение Схема гбо 2 атикер
Схема гбо 2 атикер
Кнопка ловато подключение Кнопка ГБО 2 поколения (схема подключения инжектор и карбюратор)
Кнопка ГБО 2 поколения (схема подключения инжектор и карбюратор)
Кнопка ловато подключение Переключатель газ/бензин Lovato
Переключатель газ/бензин Lovato
Кнопка ловато подключение Блог сообщества Ремонт и Эксплуатация ГБО - DRIVE2
Блог сообщества Ремонт и Эксплуатация ГБО - DRIVE2
Кнопка ловато подключение Да здравствует ГБО Евро2 - Lada 2109, 1,3 л, 1988 года стайлинг DRIVE2
Да здравствует ГБО Евро2 - Lada 2109, 1,3 л, 1988 года стайлинг DRIVE2
Кнопка ловато подключение Информация о ГБО Lovato SevenGas. Магазин ГБО из Челябинска.
Информация о ГБО Lovato SevenGas. Магазин ГБО из Челябинска.
Кнопка ловато подключение Кабель кнопки ловато - Hyundai Solaris, 9,9 л, 2011 года аксессуары DRIVE2
Кабель кнопки ловато - Hyundai Solaris, 9,9 л, 2011 года аксессуары DRIVE2
Кнопка ловато подключение кнопки - запчасти и аксессуары для транспорта Костанай - OLX.kz
кнопки - запчасти и аксессуары для транспорта Костанай - OLX.kz
Кнопка ловато подключение ГБО 4 своими руками. #8 Блок управления. Выбор, установка. - Сообщество "Ремонт
ГБО 4 своими руками. #8 Блок управления. Выбор, установка. - Сообщество "Ремонт
Кнопка ловато подключение Переключатель газ-бензин сенсорный MIMgas - Hyundai Lantra I, 1,5 л, 1993 года с
Переключатель газ-бензин сенсорный MIMgas - Hyundai Lantra I, 1,5 л, 1993 года с
Кнопка ловато подключение ГО Пультр управления (кнопка) Lovato SMART EGO
ГО Пультр управления (кнопка) Lovato SMART EGO
Кнопка ловато подключение Кабель кнопки ловато - Hyundai Solaris, 9,9 л, 2011 года аксессуары DRIVE2
Кабель кнопки ловато - Hyundai Solaris, 9,9 л, 2011 года аксессуары DRIVE2
Кнопка ловато подключение Переключатель 7801480689 Lovato
Переключатель 7801480689 Lovato
Кнопка ловато подключение Инструкция Lovato - Переключатель, требования к ПК - Портал о ГБО.
Инструкция Lovato - Переключатель, требования к ПК - Портал о ГБО.
Кнопка ловато подключение Переключатель вида топлива Lovato вакуумного редуктора RI800035 - LOVATO арт. 00
Переключатель вида топлива Lovato вакуумного редуктора RI800035 - LOVATO арт. 00
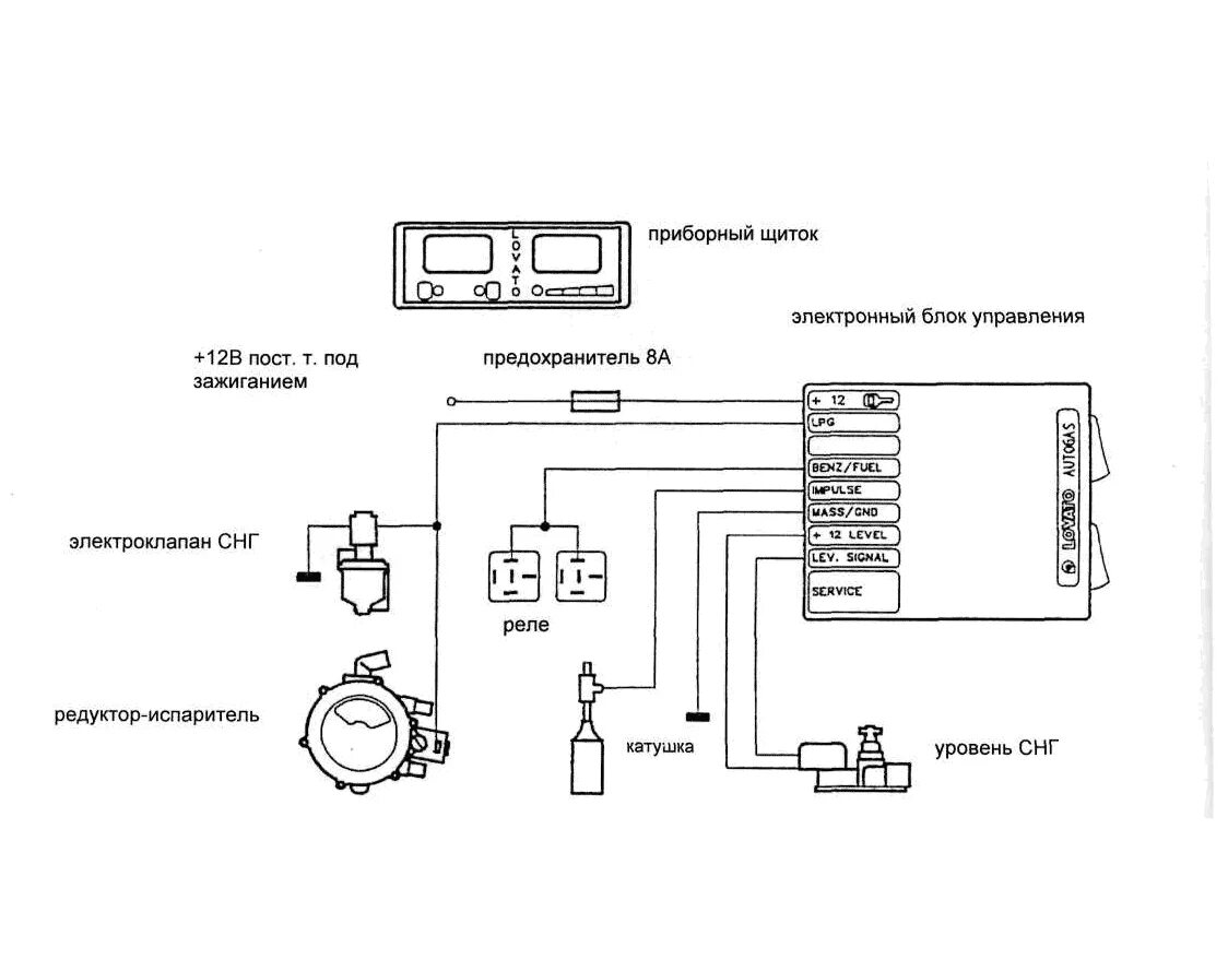
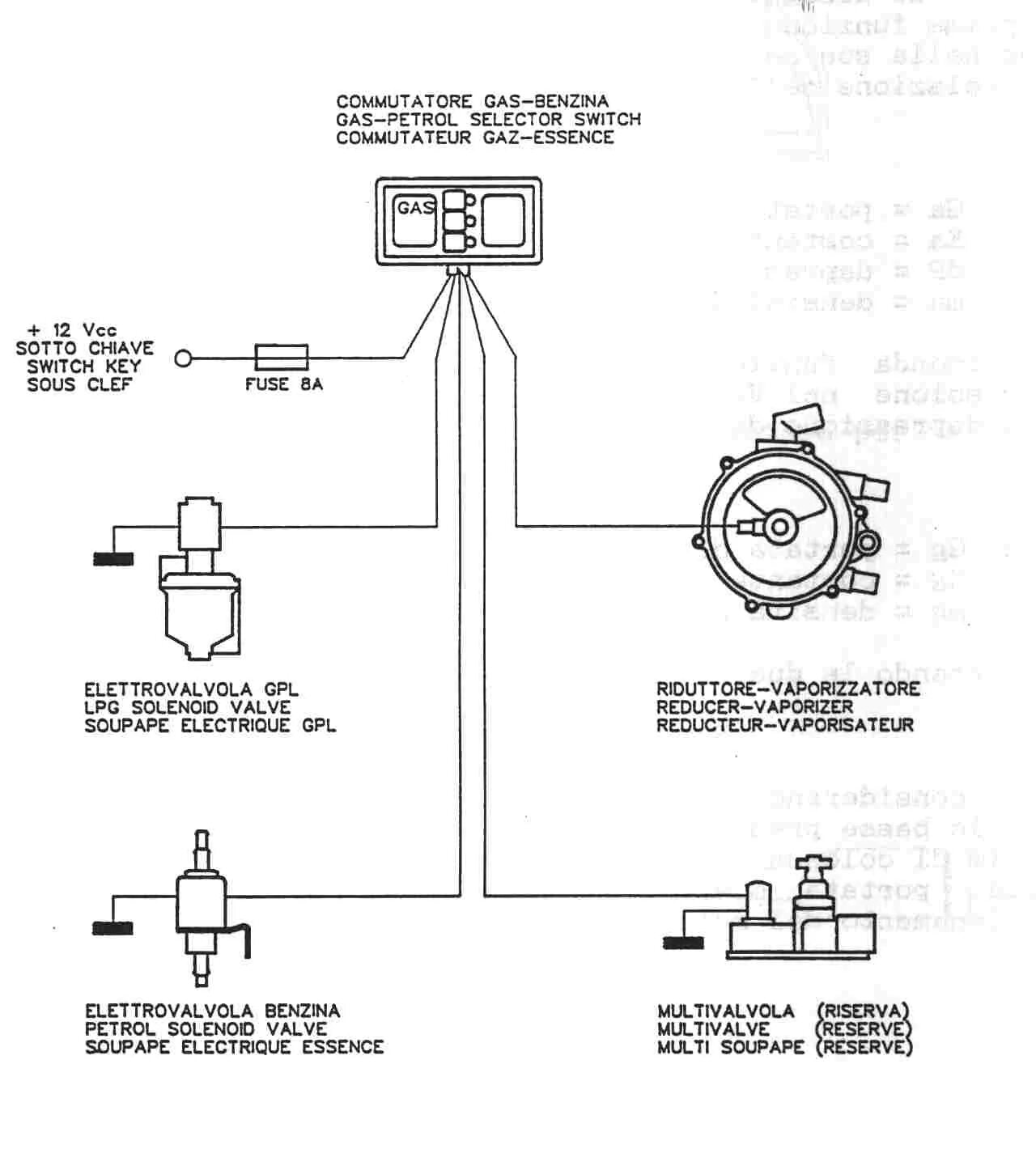
Кнопка ловато подключение Схема подключения кнопки LOVATO - DRIVE2
Схема подключения кнопки LOVATO - DRIVE2
Кнопка ловато подключение Кнопка Lovato Easy Fast /DBA5/ - купить с доставкой по выгодным ценам в интернет
Кнопка Lovato Easy Fast /DBA5/ - купить с доставкой по выгодным ценам в интернет
Кнопка ловато подключение Штекер на кнопку ГБО ЛОвато - Сообщество "Ремонт и Эксплуатация ГБО" на DRIVE2
Штекер на кнопку ГБО ЛОвато - Сообщество "Ремонт и Эксплуатация ГБО" на DRIVE2
Кнопка ловато подключение Штатная кнопка для управления не штатным оборудованием - Сообщество "Автоэлектри
Штатная кнопка для управления не штатным оборудованием - Сообщество "Автоэлектри
Кнопка ловато подключение Подключение кнопки AG - Сообщество "Ремонт и Эксплуатация ГБО" на DRIVE2
Подключение кнопки AG - Сообщество "Ремонт и Эксплуатация ГБО" на DRIVE2
Кнопка ловато подключение Обзор кнопок ГБО
Обзор кнопок ГБО
Кнопка ловато подключение lovato - Сообщество "Ремонт и Эксплуатация ГБО" на DRIVE2
lovato - Сообщество "Ремонт и Эксплуатация ГБО" на DRIVE2
Кнопка ловато подключение Кабель кнопки ловато - Hyundai Solaris, 9,9 л, 2011 года аксессуары DRIVE2
Кабель кнопки ловато - Hyundai Solaris, 9,9 л, 2011 года аксессуары DRIVE2
Кнопка ловато подключение Как подключить кнопку газа
Как подключить кнопку газа
Кнопка ловато подключение Кнопка Lovato Easy Fast /DBA5/ - купить в интернет-магазине по низкой цене на Ян
Кнопка Lovato Easy Fast /DBA5/ - купить в интернет-магазине по низкой цене на Ян
Кнопка ловато подключение Гбо 1 поколения схема
Гбо 1 поколения схема
Кнопка ловато подключение Как подключить кнопку гбо 2 поколения на карбюратор атикер
Как подключить кнопку гбо 2 поколения на карбюратор атикер
Кнопка ловато подключение Схема подключения кнопки LOVATO - DRIVE2
Схема подключения кнопки LOVATO - DRIVE2