Смотреть видео:

Как починить выключатель удлинителя/сетевого фильтра ватной палочкой / Fixing ne
Форум РадиоКот * Просмотр темы - Как подключить выключатель (схема)
Сетевые фильтры-удлинители классического дизайна
Фильтр 220 вольт
Схема удлинителя: найдено 86 изображений
Форум РадиоКот * Просмотр темы - Мелкие практические вопросы
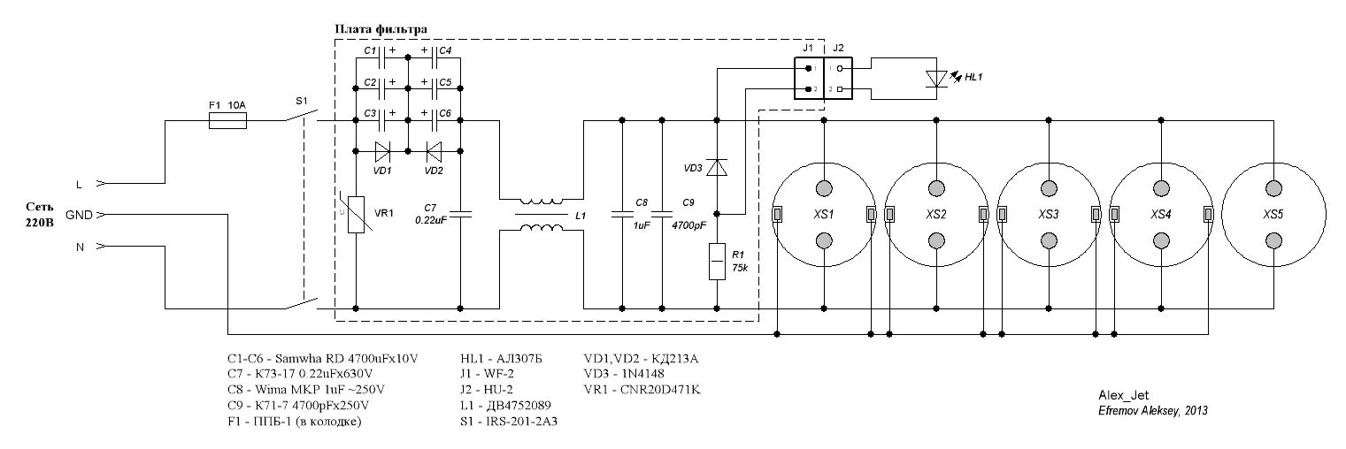
Сетевой фильтр своими руками: схема 220 В Удлинитель, Радиолюбитель, Фильтр
Схема удлинителя с выключателем
Сетевой фильтр Power Cube B 5.0 м 5 розеток (черный), купить в Краснодаре - Мирм
Сетевой фильтр? Так ли это? - обзор товара Сетевой фильтр Ippon BK232, 3м, белый
Доработка удлинителя
Ответы Mail.ru: В двойном выключателе , см фото, ножки внутри не соединены?
Поломки сетевых фильтров - найдено 83 картинок
Отзыв о Сетевой фильтр Gembird SPG6-G-10B Неплохой и удобный сетевой фильтр, при
Отзыв о Сетевой фильтр Pilot S Вроде как бы хорошо, но... не без косяков
Можно ли использовать тройник вместо сетевого фильтра, (см.
Ответы Mail.ru: Оградит ли сетевой фильтр сеть от короткого замыкания с стороны
Правильный удлинитель своими руками - YouTube
Обновленные фильтры-удлинители Fort и Fort Pro
Ответы Mail.ru: как устроен сетевой фильтр гарнизон 2.2квт
Сетевой фильтр Power Cube PRO, 3 м, LC контур, 10А/2,2кВт - купить в интернет-ма
Обычный удлинитель, с фильтром-варистором. - обзор товара Сетевой фильтр Buro 50
94 156 Сетевой фильтр Navigator NSP-05-180-ESC-Gr Удлинители. сетевые фильтры
Как работает отключаемая: найдено 89 изображений
Удлинитель пилот схема кнопки
Сетевые фильтры 220В, что у них внутри - DRIVE2
Ремонт сетевого фильтра своими руками
Ответы Mail.ru: Оградит ли сетевой фильтр сеть от короткого замыкания с стороны
Ответы Mail.ru: Помогите по сборке сетевого фильтра с выключателем!