Смотреть видео:

Кнопка Start-Stop Engine своими руками - ГАЗ 31029, 3 л, 1996 года тюнинг DRIVE2
Update: My 2DOF + homemade shifter Page 2
THREE PHASE MOTOR CONTROL CIRCUIT, EMERGENCY STOP - YouTube
Установка кнопки ENGINE START STOP на ВАЗ - Lada 21114, 1,6 л, 2007 года электро
Картинки ПОДКЛЮЧЕНИЕ МАСТЕР ВЫКЛЮЧАТЕЛЯ ЧЕРЕЗ КОНТАКТОР
Сверлим медленно, подключаем много - Сообщество "Оснащение Гаража и Инструмент"
Установка центрального замка, нужна помощь) - Сообщество "Автоэлектрика" на DRIV
вопрос о кнопке запуска. - Сообщество "УАЗоводы" на DRIVE2
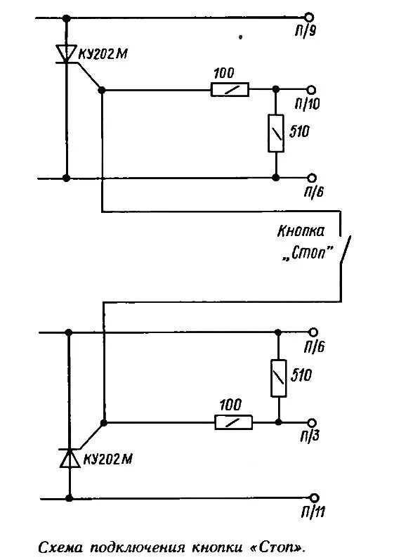
Подключение стоп
Кнопка XB7-EA25 NO+NC чёрная
Установка кнопки старт стоп - Great Wall Sailor, 2,3 л, 2008 года своими руками
Схемы подключения магнитного пускателя: детальная инструкция
Кнопка Start/Stop - Daewoo Espero, 2 л, 1998 года тюнинг DRIVE2
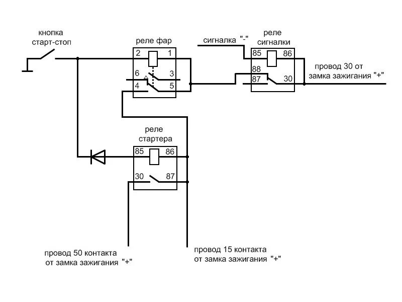
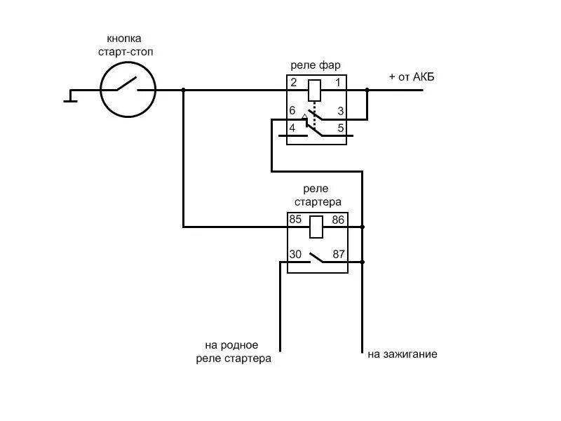
Кнопка СТАРТ-СТОП схема. - Mercedes-Benz E-class (W124), 3,2 л, 1987 года тюнинг
Кнопка "стоп" на подвесном моторе "Ветерок" (Моторы / Тюнинг моторов / 1990) - B
Установка кнопки "Start-Stop" - Lada 4x4 3D, 1,7 л, 1998 года стайлинг DRIVE2
Как проверить распиновку кнопки старт стоп? - DRIVE2
Клуб владельцев TOYOTA PRIUS / ТОЙОТА ПРИУС и других гибридных автомобилей - Гал
Точки подключения сигнализации на Daihatsu Move LA150S 2017 год СТАРТ СТОП - DRI
Как подключить пускатель с кнопкой пуск
Technical Brochure P Ecocirc Xl Electronic Drive Manual - Pdf - Start Stop Switc
Кнопка Старт-Стоп! - ИЖ Москвич 412, 1,5 л, 1973 года своими руками DRIVE2
Кнопка "старт/ стоп" в ниву - Lada 4x4 3D, 1,7 л, 2000 года аксессуары DRIVE2
Схема магнитного пускателя с кнопками пуск и стоп фото Molot-Club.ru
старт-стоп своими руками - Lada 21065, 1,6 л, 1996 года электроника DRIVE2
Запуск двигателя с кнопки, скоро!)) - Lada 21099, 1,6 л, 1999 года тюнинг DRIVE2
Купить Кнопка старт - стоп в Чите по цене: 2 500 ₽ - частное объявление на Дроме
Установка кнопки старт-стоп. - KIA Sorento (1G), 3,5 л, 2003 года аксессуары DRI
Как подключить авто кнопку
Схема подключения магнитного пускателя на 220 В, 380 В