Смотреть видео: Кнопка включения бетономешалки схема подключения



Кнопка включения бетономешалки схема подключения

Кнопка включения бетономешалки схема подключения Контент Shida - Страница 22 - Форум по радиоэлектронике
Контент Shida - Страница 22 - Форум по радиоэлектронике
Кнопка включения бетономешалки схема подключения Пусковая кнопка выключатель KJD17 LBD10 для бетономешалки для станка, цена в Нов
Пусковая кнопка выключатель KJD17 LBD10 для бетономешалки для станка, цена в Нов
Кнопка включения бетономешалки схема подключения Выключатель (131-4) для бетономешалка 4 контакта, компрессор, св. станок - купит
Выключатель (131-4) для бетономешалка 4 контакта, компрессор, св. станок - купит
Кнопка включения бетономешалки схема подключения Ответы Mail.ru: Правильно ли подсоединил? Или как подсоединить?
Ответы Mail.ru: Правильно ли подсоединил? Или как подсоединить?
Кнопка включения бетономешалки схема подключения Кнопка пуск-стоп 220. Видео ни о чём. - YouTube
Кнопка пуск-стоп 220. Видео ни о чём. - YouTube
Кнопка включения бетономешалки схема подключения Tempero Resistência Recepção młot mrh 900 schemat podłączenia wyłącznika Marinho
Tempero Resistência Recepção młot mrh 900 schemat podłączenia wyłącznika Marinho
Кнопка включения бетономешалки схема подключения Энкор БМ 161/650 Руководство по эксплуатации онлайн 6/10 198716
Энкор БМ 161/650 Руководство по эксплуатации онлайн 6/10 198716
Кнопка включения бетономешалки схема подключения Перейти на страницу с картинкой
Перейти на страницу с картинкой
Кнопка включения бетономешалки схема подключения 5pcs Electric tool switch magnetic switch KJD6 5E4 AC250V 6 (4) A electromagneti
5pcs Electric tool switch magnetic switch KJD6 5E4 AC250V 6 (4) A electromagneti
Кнопка включения бетономешалки схема подключения Отзыв о Бетономешалка Limex 190 LS симпатичная, объёмная , но компактная
Отзыв о Бетономешалка Limex 190 LS симпатичная, объёмная , но компактная
Кнопка включения бетономешалки схема подключения Картинки СХЕМА КНОПКИ БЕТОНОМЕШАЛКИ
Картинки СХЕМА КНОПКИ БЕТОНОМЕШАЛКИ
Кнопка включения бетономешалки схема подключения Мастеровым от мастерового.: Чем заменить кнопку ПНВС.
Мастеровым от мастерового.: Чем заменить кнопку ПНВС.
Кнопка включения бетономешалки схема подключения Вопрос по электрике бетономешалки - ЯПлакалъ
Вопрос по электрике бетономешалки - ЯПлакалъ
Кнопка включения бетономешалки схема подключения Кнопка бетономешалки черная 5 контактов - купить по цене 165.00 грн. в prom.ua i
Кнопка бетономешалки черная 5 контактов - купить по цене 165.00 грн. в prom.ua i
Кнопка включения бетономешалки схема подключения Схема подключения двигателя бетономешалки фото и видео - avRussia.ru
Схема подключения двигателя бетономешалки фото и видео - avRussia.ru
Кнопка включения бетономешалки схема подключения Кнопка включения (выключатель) для бетономешалки DKLD DZ-6 5 контактов в г.
Кнопка включения (выключатель) для бетономешалки DKLD DZ-6 5 контактов в г.
Кнопка включения бетономешалки схема подключения Картинки СХЕМА КНОПКИ БЕТОНОМЕШАЛКИ
Картинки СХЕМА КНОПКИ БЕТОНОМЕШАЛКИ
Кнопка включения бетономешалки схема подключения Ответы Mail.ru: Как правильно подключить провода на бетоносмеситель ББС-160?
Ответы Mail.ru: Как правильно подключить провода на бетоносмеситель ББС-160?
Кнопка включения бетономешалки схема подключения Кнопка бетономешалки черная 4 контакта VJ Parts в Кишинёве купить в рассрочку 0
Кнопка бетономешалки черная 4 контакта VJ Parts в Кишинёве купить в рассрочку 0
Кнопка включения бетономешалки схема подключения Пост кнопочный: назначение и схема Электрика, как надо! Дзен
Пост кнопочный: назначение и схема Электрика, как надо! Дзен
Кнопка включения бетономешалки схема подключения Схема подключения бетономешалки: найдено 78 изображений
Схема подключения бетономешалки: найдено 78 изображений
Кнопка включения бетономешалки схема подключения Электромагнитная кнопка пускатель KJD 22 Напряжение 250 В АС, цена в Москве от к
Электромагнитная кнопка пускатель KJD 22 Напряжение 250 В АС, цена в Москве от к
Кнопка включения бетономешалки схема подключения Ремонт кнопки бетономешалки /Repair button mixers - YouTube
Ремонт кнопки бетономешалки /Repair button mixers - YouTube
Кнопка включения бетономешалки схема подключения Закрепить редуктор бетономешалки ФОРТЕ на 160 л - YouTube
Закрепить редуктор бетономешалки ФОРТЕ на 160 л - YouTube
Кнопка включения бетономешалки схема подключения DIY. Запуск BD 7050 и аналогов. - DRIVE2
DIY. Запуск BD 7050 и аналогов. - DRIVE2
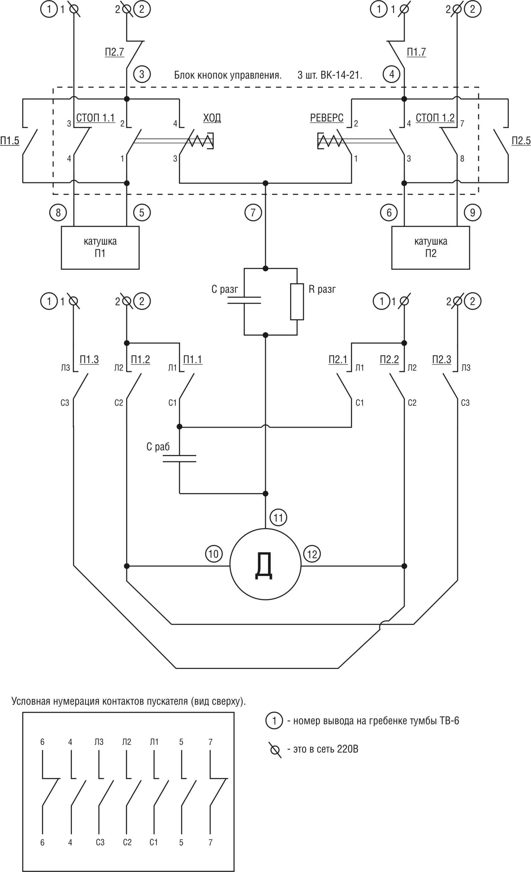
Кнопка включения бетономешалки схема подключения Типовые схемы подключения электродвигателя - 125 фото типовых схем подключения ч
Типовые схемы подключения электродвигателя - 125 фото типовых схем подключения ч
Кнопка включения бетономешалки схема подключения Паяльник & Отвертка TEAM part II - Форум onliner.by
Паяльник & Отвертка TEAM part II - Форум onliner.by
Кнопка включения бетономешалки схема подключения кнопка KJD17 5 к
кнопка KJD17 5 к
Кнопка включения бетономешалки схема подключения 23 Wiring Diagram For Electric Cement Mixer Cement mixers, Mixer, Concrete mixer
23 Wiring Diagram For Electric Cement Mixer Cement mixers, Mixer, Concrete mixer
Кнопка включения бетономешалки схема подключения Как подключить двигатель бетономешалки 4 провода
Как подключить двигатель бетономешалки 4 провода