Смотреть видео:

Какое взять реле-таймер? - Песочница (Q&A) - Форум по радиоэлектронике
Кнопка выхода falcon eye fe 100
Кнопка выхода AL-EXB2 по цене 292.92 руб. - купить в Москве Баргас
Металлическая кнопка выхода с подсветкой
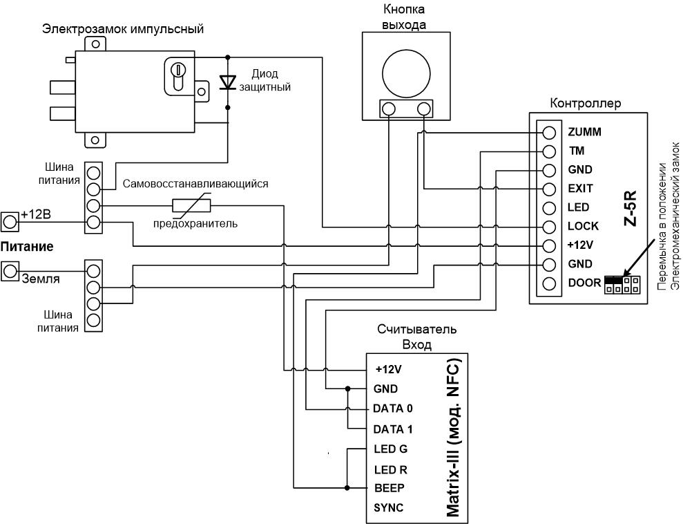
Схема подключения считывателя, кнопки выхода к контроллеру Z5R (CP-Z2l, СТМ-КР,
SOCA SCP-100R кнопка выхода купить в интернет-магазине Техническая Лаборатория с
Типовые решения / Обучение
Инструкция кнопки выхода YLI TSK-830B LED
Контроллер ключей iBC-04 купить в Киеве Ohrana.ua
Схема подключения домофона (видеодомофона) в частный дом: вариант с электромагни
Олевс Кнопка выхода накладная Олевс Циклоп (Медный Антик) - купить по выгодной ц
Инструкция кнопки выхода Eltis B-72
Купить Кнопка выхода Falcon Eye FE-100 (Черный) в Крыму, цены, отзывы, характери
EXIT 500 VIZIT кнопка управления выходом купить в Санкт-Петербурге, низкие цены,
Домофоны и видеодомофоны VIZIT. Системы контроля доступа. Металлические двери. О
Отзыв о Кнопка выхода ОЛЕВС "Циклоп" Кнопка выхода накладная
Smartec ST-SC010 - автономный контроллер (1 точка, до 500 карт)
Инструкция кнопки выхода YLI PBK-815
EXIT 1000 VIZIT кнопка управления выходом сенсорная купить в Санкт-Петербурге, н
Инструкция кнопки выхода Даксис КН 05
GERCH ZN сенсорная кнопка выхода
Инструкция кнопки выхода GERCH ZN
Кнопка FE-100 - Кнопки выхода - Системы контроля доступа (Прочие) - Каталог - Ал
Инструкция кнопки выхода Метаком KV-3
Инструкция кнопки выхода STRAZH SR-BM12S
Кнопка выхода Falcon Eye FE-100, антик - купить в интернет-магазине по низкой це
Инструкция кнопки выхода Eltis B 28
EXITka (белая)
Кнопка выхода Олевс ЦИКЛОП белый по цене 290 руб. Интернет-магазин Zodiakvideo
Falcon eye fe 100 - Roleton.ru