Смотреть видео: Кнопка выхода кв 2 метаком схема подключения



Кнопка выхода кв 2 метаком схема подключения

Кнопка выхода кв 2 метаком схема подключения Преимущества домофона метаком: как правильно подключать и пользоваться
Преимущества домофона метаком: как правильно подключать и пользоваться
Кнопка выхода кв 2 метаком схема подключения Трубка домофона metakom ткп 12 м схема - Схемы
Трубка домофона metakom ткп 12 м схема - Схемы
Кнопка выхода кв 2 метаком схема подключения Электромагнитный замок на калитку - особенности, разновидности, советы
Электромагнитный замок на калитку - особенности, разновидности, советы
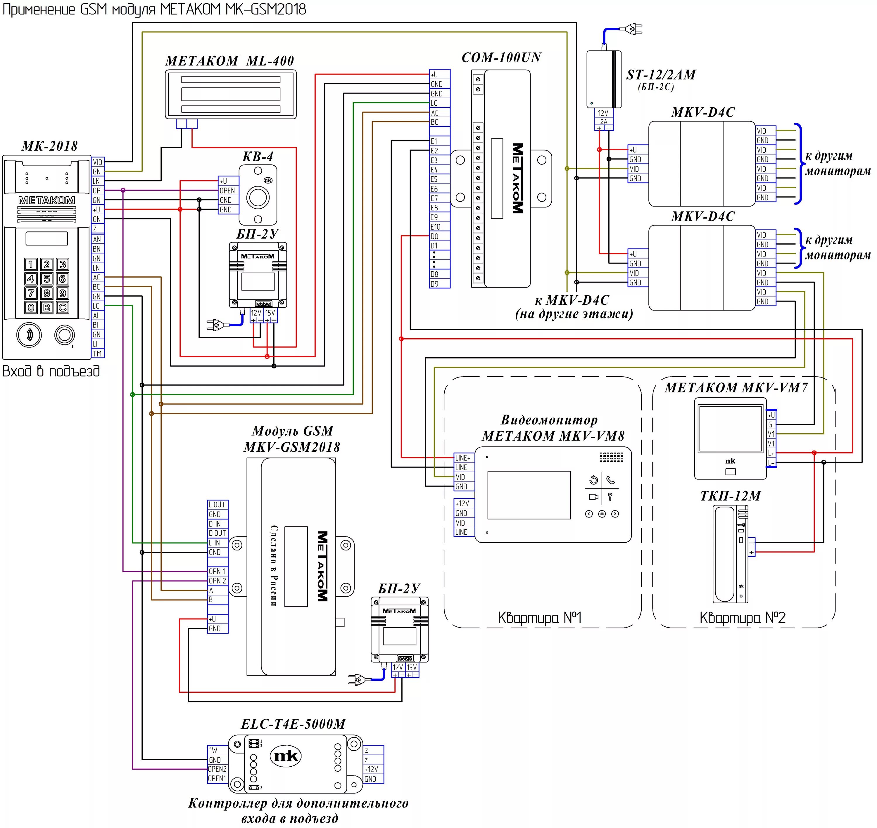
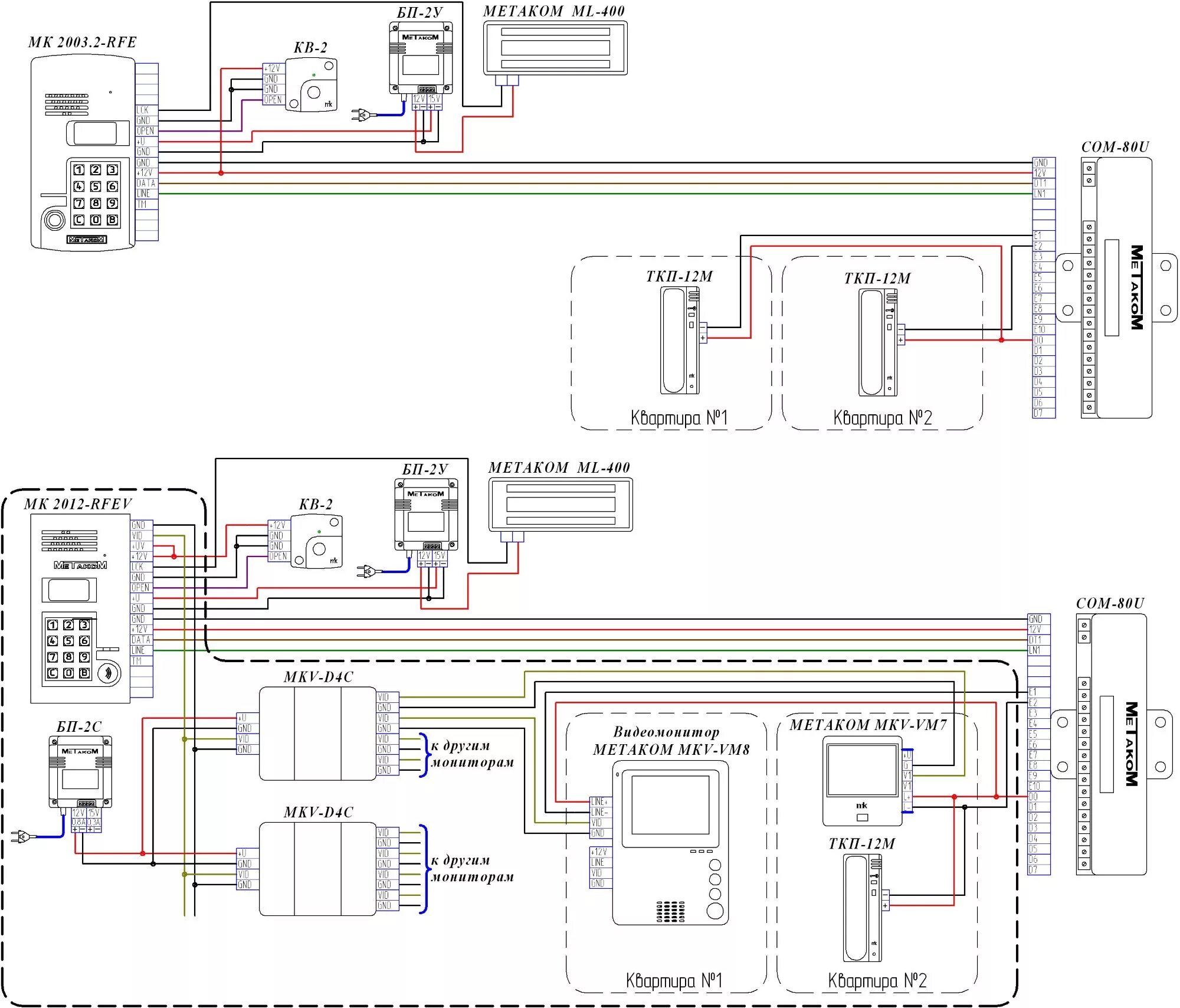
Кнопка выхода кв 2 метаком схема подключения Группа компаний "Метаком". Блоки вызова. Коммутаторы и разветвители. Блоки питан
Группа компаний "Метаком". Блоки вызова. Коммутаторы и разветвители. Блоки питан
Кнопка выхода кв 2 метаком схема подключения Установка домофона в многоквартирном доме: необходимое оборудование, схемы подкл
Установка домофона в многоквартирном доме: необходимое оборудование, схемы подкл
Кнопка выхода кв 2 метаком схема подключения Домофоны и видеодомофоны VIZIT. Системы контроля доступа. Металлические двери. О
Домофоны и видеодомофоны VIZIT. Системы контроля доступа. Металлические двери. О
Кнопка выхода кв 2 метаком схема подключения Neo plus считыватель схема подключения
Neo plus считыватель схема подключения
Кнопка выхода кв 2 метаком схема подключения Компания "Р-контроль" :: EXIT 300 Кнопка "EXIT" для домофона
Компания "Р-контроль" :: EXIT 300 Кнопка "EXIT" для домофона
Кнопка выхода кв 2 метаком схема подключения Преимущества домофона метаком: как правильно подключать и пользоваться
Преимущества домофона метаком: как правильно подключать и пользоваться
Кнопка выхода кв 2 метаком схема подключения Метаком mkv vm1 схема подключения
Метаком mkv vm1 схема подключения
Кнопка выхода кв 2 метаком схема подключения Типовые решения / Обучение
Типовые решения / Обучение
Кнопка выхода кв 2 метаком схема подключения Метаком МК2003.2-RFEN Схема 2 калитки и подъезд онлайн
Метаком МК2003.2-RFEN Схема 2 калитки и подъезд онлайн
Кнопка выхода кв 2 метаком схема подключения Как подключить видеодомофон cyfral bm 3020 - 94 фото портал мастеров webdonsk.ru
Как подключить видеодомофон cyfral bm 3020 - 94 фото портал мастеров webdonsk.ru
Кнопка выхода кв 2 метаком схема подключения Какое взять реле-таймер? - Песочница (Q&A) - Форум по радиоэлектронике
Какое взять реле-таймер? - Песочница (Q&A) - Форум по радиоэлектронике
Кнопка выхода кв 2 метаком схема подключения Как подключить видеодомофон cyfral bm 3020 - 94 фото портал мастеров webdonsk.ru
Как подключить видеодомофон cyfral bm 3020 - 94 фото портал мастеров webdonsk.ru
Кнопка выхода кв 2 метаком схема подключения Подключение домофона цифрал
Подключение домофона цифрал
Кнопка выхода кв 2 метаком схема подключения Всё о домофонах: Metakom MK2003-TM. Схема.
Всё о домофонах: Metakom MK2003-TM. Схема.
Кнопка выхода кв 2 метаком схема подключения Группа компаний "Метаком". Блоки вызова. Коммутаторы и разветвители. Блоки питан
Группа компаний "Метаком". Блоки вызова. Коммутаторы и разветвители. Блоки питан
Кнопка выхода кв 2 метаком схема подключения Домофоны и видеодомофоны VIZIT. Системы контроля доступа. Металлические двери. О
Домофоны и видеодомофоны VIZIT. Системы контроля доступа. Металлические двери. О
Кнопка выхода кв 2 метаком схема подключения Подключения малоабонентных домофонов
Подключения малоабонентных домофонов
Кнопка выхода кв 2 метаком схема подключения Инструкция кнопки выхода Eltis B-72
Инструкция кнопки выхода Eltis B-72
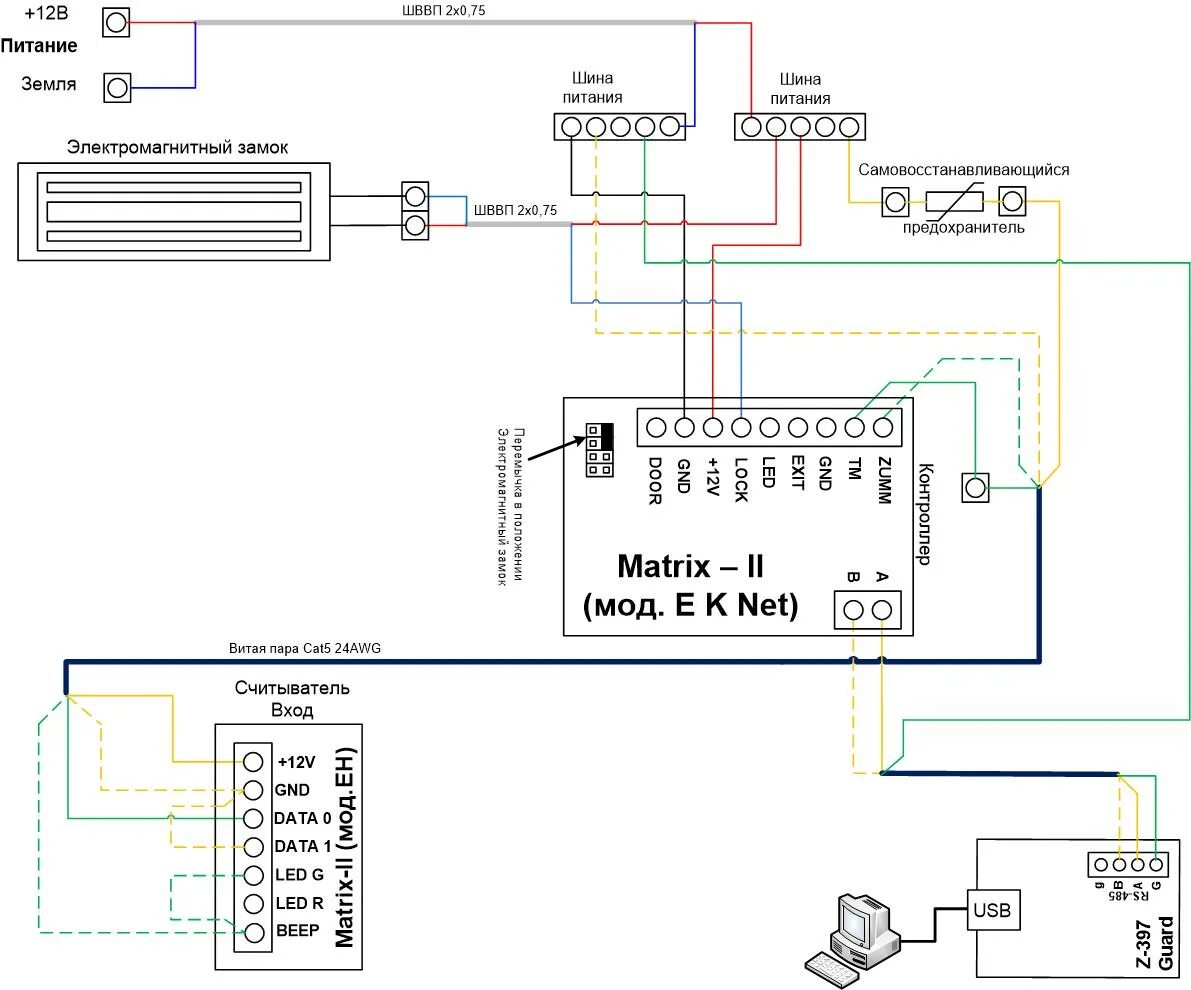
Кнопка выхода кв 2 метаком схема подключения Считыватели и контроллеры
Считыватели и контроллеры
Кнопка выхода кв 2 метаком схема подключения Кнопка выхода Метаком КВ-4W ⚡ - купить с доставкой по России в Сатро-Паладин
Кнопка выхода Метаком КВ-4W ⚡ - купить с доставкой по России в Сатро-Паладин
Кнопка выхода кв 2 метаком схема подключения Иснструкция Vizit Exit 500
Иснструкция Vizit Exit 500
Кнопка выхода кв 2 метаком схема подключения Ответы Mail.ru: Оторвалась трубка домофона
Ответы Mail.ru: Оторвалась трубка домофона
Кнопка выхода кв 2 метаком схема подключения Группа компаний "Метаком". Блоки вызова. Коммутаторы и разветвители. Блоки питан
Группа компаний "Метаком". Блоки вызова. Коммутаторы и разветвители. Блоки питан
Кнопка выхода кв 2 метаком схема подключения Кнопка выхода КВ-2 купить в Казани по низкой цене
Кнопка выхода КВ-2 купить в Казани по низкой цене
Кнопка выхода кв 2 метаком схема подключения Схема подключения тантос фото
Схема подключения тантос фото
Кнопка выхода кв 2 метаком схема подключения Инструкция кнопки выхода Метаком kv-4W
Инструкция кнопки выхода Метаком kv-4W
Кнопка выхода кв 2 метаком схема подключения Инструкция кнопки выхода Метаком KV-3
Инструкция кнопки выхода Метаком KV-3