Смотреть видео:

Ангельские глазки - CCFL 75 мм - Ford Fusion, 1,4 л, 2005 года тюнинг DRIVE2
Почти как у BMW: ангельские глазки на машину своими руками
Hyundai Accent + Koito Q5 + Angel Eyes - DRIVE2
Приобрел диодные ангельские глазки - Lada Приора хэтчбек, 1,6 л, 2014 года тюнин
Биксенон на Тмах - Postimages
Светодиодный тюнинг автомобилей, ремонт фар и другие работы
Произошла печалька - Toyota Corolla (140/150), 1,6 л, 2011 года тюнинг DRIVE2
Ангельские глазки на 71 мм 2шт.+блок розжига - купить по выгодной цене на Яндекс
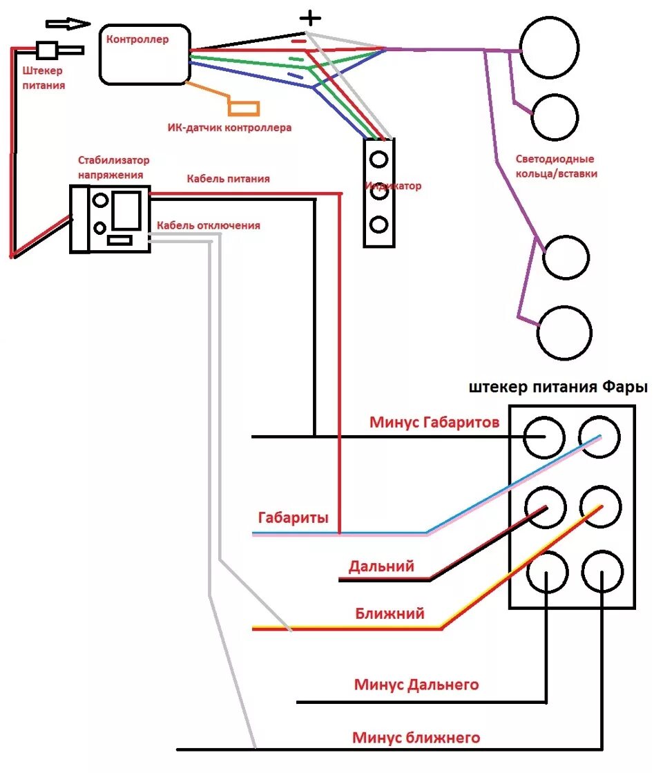
Схема подключения ангельских глазок с тремя проводами
Полный ребилдинг передних фар часть 3 - BMW 3 series (E46), 3 л, 2002 года тюнин
► Плавный розжиг/затухание ангельских глазок + реле - KIA Spectra, 1,6 л, 2006 г
Передняя оптика. Часть 6 - Подключение света - Lada 21120, 1,8 л, 2002 года тюни
Оптика своими руками. 4 би-линзы + Angel eyes + Devil eyes. часть 1 - Mitsubishi
Схема подключения ангельских глазок с тремя проводами
Поставил себе ангельские глазки - BMW 3 series (E46), 2 л, 2003 года стайлинг DR
Опять фары. инстал новых линз. часть третья (заключительная) - Subaru Forester (
Ангельские Глазки ч.3 Установка и Подключение - KIA Spectra, 1,6 л, 2006 года эл
СРОЧНО!Линзы Sho-Me 230, HELP! - Сообщество "Mitsubishi Lancer Club" на DRIVE2
Комплект линзованных биксеноновый модуль - Nissan Sunny (B15), 1,5 л, 2002 года
Как выбрать и самостоятельно установить ангельские глазки для автомобиля
Ангельские глазки "CREE"! Немного "GM"! Пополнение в семье Drive2 :-) - Daewoo S
Ангельские глазки из кластерных COB колец - KIA Ceed (2G), 1,6 л, 2013 года тюни
Ангельские глазки ( Angel eyes ) - Mazda 6 (2G) GH, 1,8 л, 2008 года электроника
Angel or Devil eyes for Infiniti G37 coupe - Infiniti G37 Coupe, 3,7 л, 2009 год
Как выбрать и самостоятельно установить ангельские глазки для автомобиля
Ангельские глазки часть 2 - Lada Приора седан, 1,6 л, 2013 года тюнинг DRIVE2
Продолжение с установки би линз 2 часть - фото отчет;) - Lada Приора седан, 1,6
Получил другие линзы - Toyota Duet, 1,3 л, 2001 года аксессуары DRIVE2
Ангельские глазки (Самодельные "Ростов на Дону") часть 1 - Mazda CX-5 (1G), 2 л,
Крохотный анонс) - Opel Corsa D, 1,2 л, 2007 года электроника DRIVE2