Смотреть видео:

Бесшумная насосная станция - Как выбрать тихие насосные станции для дома
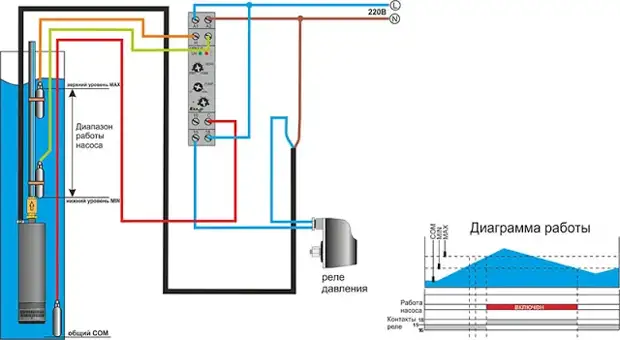
Автоматика для насоса - как подключить автоматическое заполнение или опорожнение
Подключение скважинного насоса фото - DelaDom.ru
Снаби.ру, системы водоснабжения и канализации, 9, д. Сетунь Малая - Яндекс Карты
Omnigena 3 SKM 100 с кабелем 19м - насос вихревой погружной для скважины
Программа насосной станции
Блок автоматики ЗБА - ЗБА
Viburn Насосный контроллер НК-1 - цена, характеристики, отзывы в магазине "Тепло
Реле давления Джилекс РДМ-5 в Уфе - купить в интернет магазине Сантехника-Онлайн
Картинки ПОДКЛЮЧИТЬ РЕЛЕ ДАВЛЕНИЯ К ГИДРОАККУМУЛЯТОРУ КАК ПРАВИЛЬНО
Автоматика для насосной станции: ее принцип работы
Подключение реле давления к насосу
Установка блока автоматики - Сантехник Минск Сервис
Автоматизация насосов водоснабжения
Джилекс блок автоматики фото - DelaDom.ru
Схема подключения гидроаккумулятора для систем водоснабжения: установка, как под
Вспомогательное оборудование
Подходит для трубки с наружным диаметром 1/4 дюйма, 6,35 мм, запорный шаровой кл
Скважинные насосы
Блок автоматики для насоса и регулировки давления: Подключение и Виды
Блок Автомат для Водоснабжения ХРС ДЖИЛЕКС До - 10 куб.м/час; max / 13А-1.5 МПа
Схемы подключения приборов EXTRA "Акваконтроль"
Реле давления воды Extra Акваконтроль РДС-А G1/2" (1,5 кВт, 5%) - отзывы покупат
Автоматика Джилекс для насоса - Блок автоматики для насоса
Блок автоматики для насоса и регулировки давления: Подключение и Виды
Комплектующие для садовых насосов Джилекс A9001, 9001 - купить по выгодной цене
Схемы подключения приборов EXTRA "Акваконтроль"
Блок автоматики для насосной станции фото, видео - 38rosta.ru
Блок автоматики для насоса и регулировки давления: Подключение и Виды
Картинки ПОДКЛЮЧЕНИЕ ГИДРОАККУМУЛЯТОРА К СИСТЕМЕ