 Управление газовым котлом baxi
  
  Управление газовым котлом baxi
				 
	
 
	
	
		
		
   Присоединение зонального оборудования Инструкция по эксплуатации BAXI LUNA-3 Com
  
  Присоединение зонального оборудования Инструкция по эксплуатации BAXI LUNA-3 Com
				 
	
 
	
	
		
		
   GSM управление отоплением с котлом BAXI
  
  GSM управление отоплением с котлом BAXI
				 
	
 
	
	
		
		
   Газовый котел Baxi Luna-3 240 i, двухконтурный, атмосферный, 24 кВт купить в Чел
  
  Газовый котел Baxi Luna-3 240 i, двухконтурный, атмосферный, 24 кВт купить в Чел
				 
	
 
	
	
		
		
   Просмотр инструкции котла BAXI LUNA-3 COMFORT AIR, страница 36 - Mnogo-dok - бес
  
  Просмотр инструкции котла BAXI LUNA-3 COMFORT AIR, страница 36 - Mnogo-dok - бес
				 
	
 
	
	
		
		
   Как настроить котел бакси на экономичный режим. Термостат BAXI
  
  Как настроить котел бакси на экономичный режим. Термостат BAXI
				 
	
 
	
	
		
		
   Baxi LUNA 3 Comfort 1.240 Fi 37/43 Fi 1 10 fi
  
  Baxi LUNA 3 Comfort 1.240 Fi 37/43 Fi 1 10 fi
				 
	
 
	
	
		
		
   Руководство пользователя, руководство по эксплуатации котла BAXI LUNA-3 COMFORT
  
  Руководство пользователя, руководство по эксплуатации котла BAXI LUNA-3 COMFORT 
				 
	
 
	
	
		
		
   Картинки СХЕМА ПОДКЛЮЧЕНИЯ ГАЗОВОГО КОТЛА БАКСИ
  
  Картинки СХЕМА ПОДКЛЮЧЕНИЯ ГАЗОВОГО КОТЛА БАКСИ
				 
	
 
	
	
		
		
   Газовый котел BAXI LUNA- 3 Comfort. Обзор.Характеристики
  
  Газовый котел BAXI LUNA- 3 Comfort. Обзор.Характеристики
				 
	
 
	
	
		
		
   Baxi ECO 3 240 Fi 27/33 Функциональные схем
  
  Baxi ECO 3 240 Fi 27/33 Функциональные схем
				 
	
 
	
	
		
		
   Котел газовый настенный BAXI LUNA-3 двухконтурный с открытой камерой сгорания 24
  
  Котел газовый настенный BAXI LUNA-3 двухконтурный с открытой камерой сгорания 24
				 
	
 
	
	
		
		
   Просмотр инструкции котла BAXI NUVOLA-3 Comfort, страница 39 - Mnogo-dok - беспл
  
  Просмотр инструкции котла BAXI NUVOLA-3 Comfort, страница 39 - Mnogo-dok - беспл
				 
	
 
	
	
		
		
   Страница 38/40 - Мануал: Котёл BAXI LUNA-3 Space
  
  Страница 38/40 - Мануал: Котёл BAXI LUNA-3 Space
				 
	
 
	
	
		
		
   Luna 3 1.310 fi инструкция: найдено 90 изображений
  
  Luna 3 1.310 fi инструкция: найдено 90 изображений
				 
	
 
	
	
		
		
   Компоненты автоматики котла Baxi Luna-3 Comfort
  
  Компоненты автоматики котла Baxi Luna-3 Comfort
				 
	
 
	
	
		
		
   Схема платы котла бакси
  
  Схема платы котла бакси
				 
	
 
	
	
		
		
   Запчасти и инструкции для BAXI NUVOLA-3 COMFORT в компании БСП (499) 519-03-69
  
  Запчасти и инструкции для BAXI NUVOLA-3 COMFORT в компании БСП (499) 519-03-69
				 
	
 
	
	
		
		
   Baxi LUNA 3 1.240 Fi 33/35 Газовые настенные котлы
  
  Baxi LUNA 3 1.240 Fi 33/35 Газовые настенные котлы
				 
	
 
	
	
		
		
   Комплект поставки Инструкция по эксплуатации BAXI LUNA-3 Comfort HT Страница 19
  
  Комплект поставки Инструкция по эксплуатации BAXI LUNA-3 Comfort HT Страница 19 
				 
	
 
	
	
		
		
   Газовый котел Baxi Luna 3: устройство, настройка, модельный ряд (240, 280, 310 F
  
  Газовый котел Baxi Luna 3: устройство, настройка, модельный ряд (240, 280, 310 F
				 
	
 
	
	
		
		
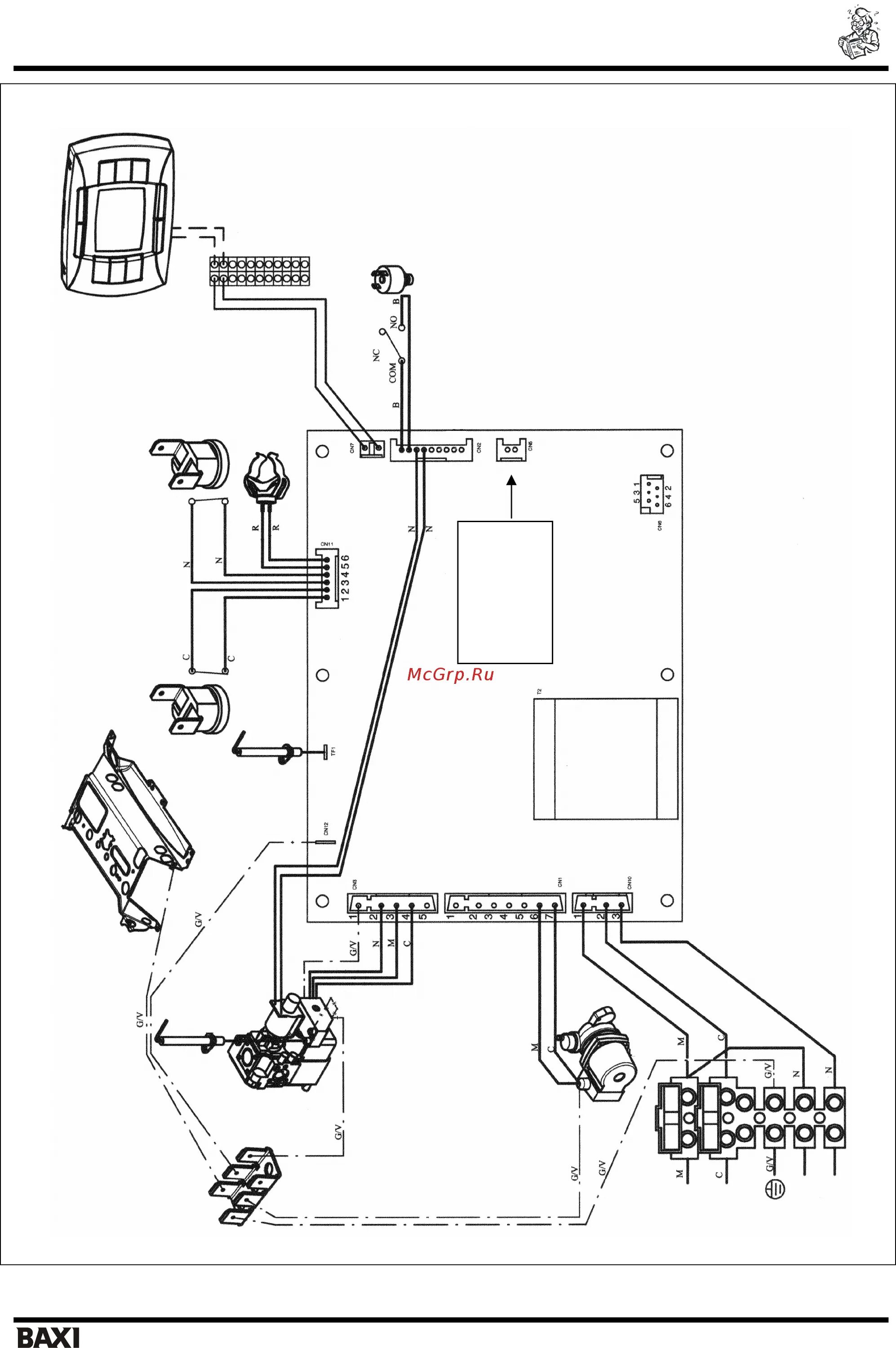
   Схемы электрических соединений Инструкция по эксплуатации BAXI LUNA-3 Страница 3
  
  Схемы электрических соединений Инструкция по эксплуатации BAXI LUNA-3 Страница 3
				 
	
 
	
	
		
		
   41 газовые настенные котлы Инструкция по эксплуатации BAXI LUNA-3 Comfort HT Стр
  
  41 газовые настенные котлы Инструкция по эксплуатации BAXI LUNA-3 Comfort HT Стр
				 
	
 
	
	
		
		
   Газовый котел Baxi LUNA 3 Comfort LUNA 3 Comfort 1.310 Fi (10,4-31 кВт) в Мурман
  
  Газовый котел Baxi LUNA 3 Comfort LUNA 3 Comfort 1.310 Fi (10,4-31 кВт) в Мурман
				 
	
 
	
	
		
		
   Котел газовый настенный BAXI LUNA-3 Comfort двухконтурный с закрытой камерой сго
  
  Котел газовый настенный BAXI LUNA-3 Comfort двухконтурный с закрытой камерой сго
				 
	
 
	
	
		
		
   Купить котёл газовый baxi luna-3 comfort 1.310 fi cse45531358- в Москве в интерн
  
  Купить котёл газовый baxi luna-3 comfort 1.310 fi cse45531358- в Москве в интерн
				 
	
 
	
	
		
		
   Baxi LUNA-3 COMFORT 45/48 1 40 i
  
  Baxi LUNA-3 COMFORT 45/48 1 40 i
				 
	
 
	
	
		
		
   Картинки ПОДКЛЮЧЕНИЕ КОТЛА БАКСИ ЛУНА 3
  
  Картинки ПОДКЛЮЧЕНИЕ КОТЛА БАКСИ ЛУНА 3
				 
	
 
	
	
		
		
   Газовый котел Baxi LUNA 3 Comfort 1.240 Fi (9,3-25 кВт) с выносной панелью управ
  
  Газовый котел Baxi LUNA 3 Comfort 1.240 Fi (9,3-25 кВт) с выносной панелью управ
				 
	
 
	
	
		
		
   Baxi LUNA 3 1.310 Fi 34/35 Цвет проводов с голубой м коричневый n черный r красн
  
  Baxi LUNA 3 1.310 Fi 34/35 Цвет проводов с голубой м коричневый n черный r красн