Смотреть видео: Подключение блока лебедки



Подключение блока лебедки

Подключение блока лебедки Соленоид лебедки ( замена) - ГАЗ 69, 2,3 л, 1965 года своими руками DRIVE2
Соленоид лебедки ( замена) - ГАЗ 69, 2,3 л, 1965 года своими руками DRIVE2
Подключение блока лебедки Пульт лебедки. - УАЗ Patriot, 2,7 л, 2014 года своими руками DRIVE2
Пульт лебедки. - УАЗ Patriot, 2,7 л, 2014 года своими руками DRIVE2
Подключение блока лебедки Восстановление лебедки SPRUT 9000, изготовление клюза для лебедки своими руками
Восстановление лебедки SPRUT 9000, изготовление клюза для лебедки своими руками
Подключение блока лебедки Подключение лебедки спрут 9000 на уаз - 93 фото
Подключение лебедки спрут 9000 на уаз - 93 фото
Подключение блока лебедки Переделка управления лебедкой. - Isuzu Bighorn (II), 3,1 л, 1997 года электроник
Переделка управления лебедкой. - Isuzu Bighorn (II), 3,1 л, 1997 года электроник
Подключение блока лебедки Установка электролебедки в базу (ч.3) Финал. - Lada 4x4 3D, 2,2 л, 1985 года тюн
Установка электролебедки в базу (ч.3) Финал. - Lada 4x4 3D, 2,2 л, 1985 года тюн
Подключение блока лебедки Установка тяговой лебедки WARN на Suzuki Kingquad - DRIVE2
Установка тяговой лебедки WARN на Suzuki Kingquad - DRIVE2
Подключение блока лебедки Подключение Блоков ДУ к лебёдкам - УАЗ 2206, 2,7 л, 2000 года электроника DRIVE2
Подключение Блоков ДУ к лебёдкам - УАЗ 2206, 2,7 л, 2000 года электроника DRIVE2
Подключение блока лебедки Схема подкючения COMEUP с датчиком и лампами - ProWinch на DRIVE2
Схема подкючения COMEUP с датчиком и лампами - ProWinch на DRIVE2
Подключение блока лебедки Установка лебёдки Tungsten T9500S в штатный бампер Mitsubishi Pajero Sport - DRI
Установка лебёдки Tungsten T9500S в штатный бампер Mitsubishi Pajero Sport - DRI
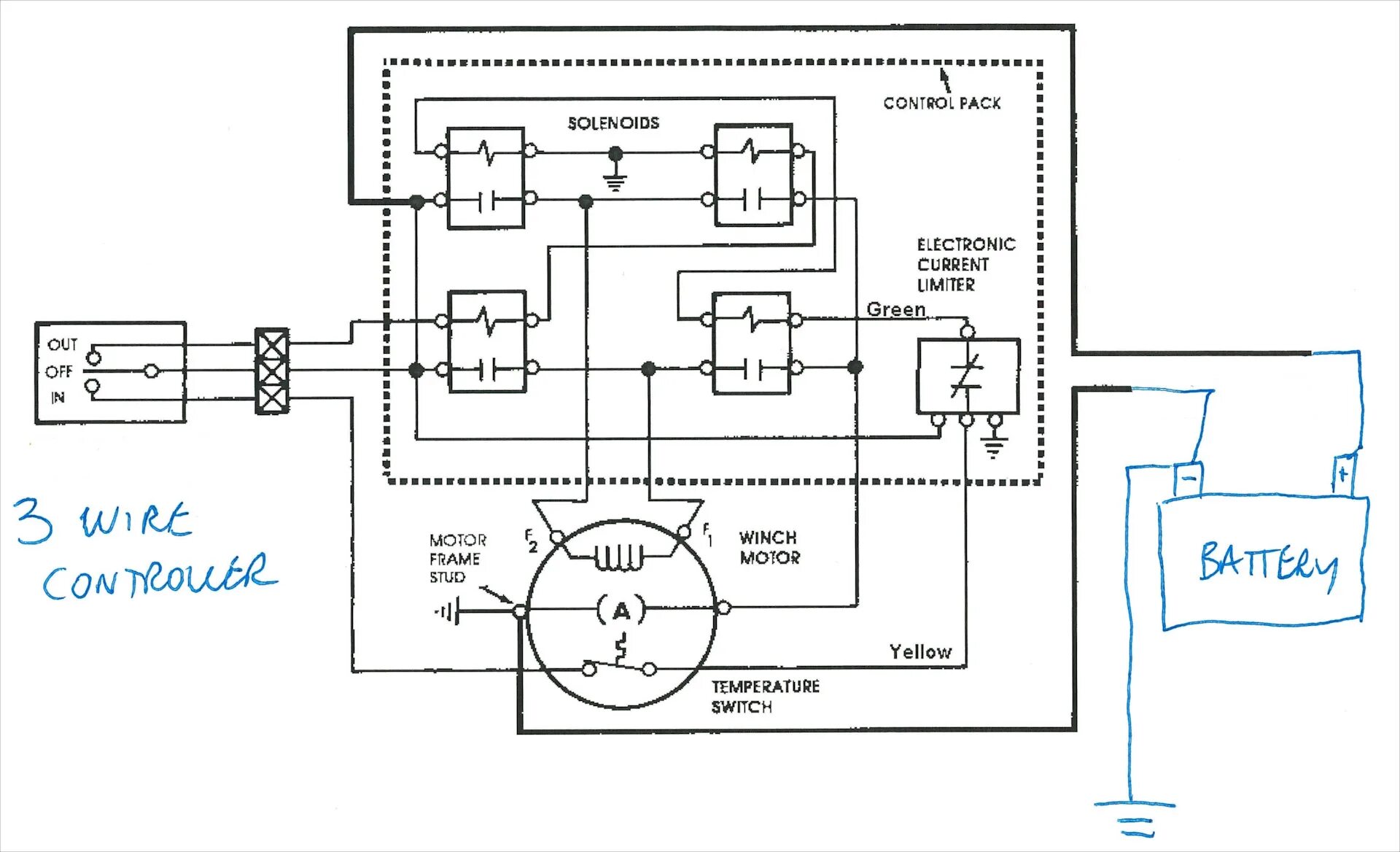
Подключение блока лебедки Моносоленоид (блок управления) варианты реализации, подключение моторов (лебедка
Моносоленоид (блок управления) варианты реализации, подключение моторов (лебедка
Подключение блока лебедки Как подключить лебедку фото - DelaDom.ru
Как подключить лебедку фото - DelaDom.ru
Подключение блока лебедки Соленоид блока управления лебедки 24В - купить в интернет-магазине по низкой цен
Соленоид блока управления лебедки 24В - купить в интернет-магазине по низкой цен
Подключение блока лебедки Подключение соленоидов лебёдки 450, 500 и 600A - DRIVE2
Подключение соленоидов лебёдки 450, 500 и 600A - DRIVE2
Подключение блока лебедки как установить лебедку warn - Ремзона и тюнинг квадроциклов - BRPCLUB.RU
как установить лебедку warn - Ремзона и тюнинг квадроциклов - BRPCLUB.RU
Подключение блока лебедки Схема подключения лебедки на уаз - YandexAuto.ru
Схема подключения лебедки на уаз - YandexAuto.ru
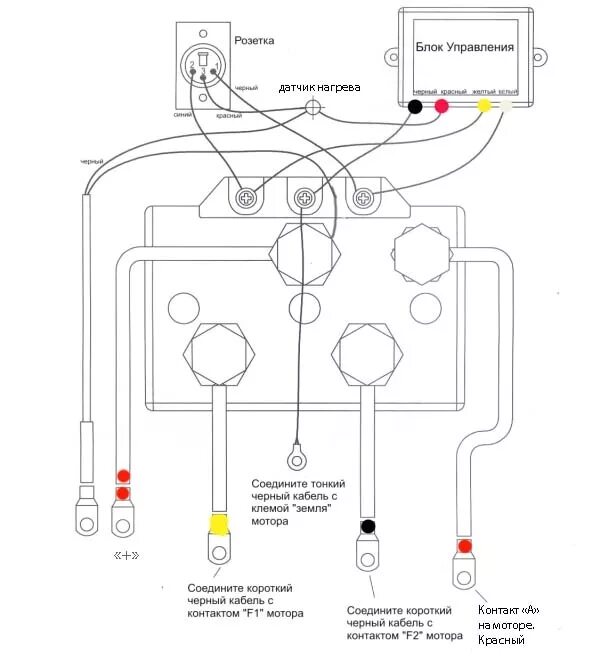
Подключение блока лебедки Подключение лебедки, соленоида и пульта управления Электролебедка.ру
Подключение лебедки, соленоида и пульта управления Электролебедка.ру
Подключение блока лебедки Установка лебедки в штатный бампер - Mitsubishi Pajero Sport (1G), 3 л, 2005 год
Установка лебедки в штатный бампер - Mitsubishi Pajero Sport (1G), 3 л, 2005 год
Подключение блока лебедки Купить Универсальная лебедка Power Winch, пульт дистанционного управления, радио
Купить Универсальная лебедка Power Winch, пульт дистанционного управления, радио
Подключение блока лебедки Пульт радиоуправления лебедкой универсальный 2 больших (оранж)
Пульт радиоуправления лебедкой универсальный 2 больших (оранж)
Подключение блока лебедки Подключение лебедки, соленоида и пульта управления Электролебедка.ру
Подключение лебедки, соленоида и пульта управления Электролебедка.ру
Подключение блока лебедки Подключение автомобильной лебедки - найдено 88 картинок
Подключение автомобильной лебедки - найдено 88 картинок
Подключение блока лебедки Соленоид лебедки ( замена) - ГАЗ 69, 2,3 л, 1965 года своими руками DRIVE2
Соленоид лебедки ( замена) - ГАЗ 69, 2,3 л, 1965 года своими руками DRIVE2
Подключение блока лебедки Лебедка в Duster 2 - размыкатель массы (обязательное условие эксплуатации) - Ren
Лебедка в Duster 2 - размыкатель массы (обязательное условие эксплуатации) - Ren
Подключение блока лебедки Установка лебедки Electric Winch 12000 в штатный бампер Спортажа - KIA Sportage
Установка лебедки Electric Winch 12000 в штатный бампер Спортажа - KIA Sportage
Подключение блока лебедки Лебедка для квадроцикла 12В 4500 lbs (2040 кг) TROPHY (синтетический трос) - куп
Лебедка для квадроцикла 12В 4500 lbs (2040 кг) TROPHY (синтетический трос) - куп
Подключение блока лебедки Купить Моноблок управления лебедкой (Моносоленоид) 500А / 12В в Хабаровске по це
Купить Моноблок управления лебедкой (Моносоленоид) 500А / 12В в Хабаровске по це
Подключение блока лебедки Самостоятельная установка лебёдки Running Man 12 000 на УАЗ Патриот - УАЗ Patrio
Самостоятельная установка лебёдки Running Man 12 000 на УАЗ Патриот - УАЗ Patrio
Подключение блока лебедки Подключение пульта для управления лебедкой Стократ - Renault Duster (1G), 2 л, 2
Подключение пульта для управления лебедкой Стократ - Renault Duster (1G), 2 л, 2
Подключение блока лебедки Проблемы с реле лебёдки квадроцикла
Проблемы с реле лебёдки квадроцикла