Смотреть видео: Подключение блока управления прамотроник 16жд24



Подключение блока управления прамотроник 16жд24

Подключение блока управления прамотроник 16жд24 Блок управления ПЖД 16ЖД24 КАМАЗ,МАЗ,ЗИЛ,КРАЗ,УРАЛ "ЭЛТРА-ТЕРМО" купить в Москве
Блок управления ПЖД 16ЖД24 КАМАЗ,МАЗ,ЗИЛ,КРАЗ,УРАЛ "ЭЛТРА-ТЕРМО" купить в Москве
Подключение блока управления прамотроник 16жд24 Фотографии на стене сообщества - Фотография 11 из 80 ВКонтакте
Фотографии на стене сообщества - Фотография 11 из 80 ВКонтакте
Подключение блока управления прамотроник 16жд24 Блок управления подогревателя Прамотроник 12ЖД24 - купить по цене 3,400.00 грн.
Блок управления подогревателя Прамотроник 12ЖД24 - купить по цене 3,400.00 грн.
Подключение блока управления прамотроник 16жд24 16ЖД248106200 Блок управления 24В для 16ЖД24.8106.200 ПРАМОТРОНИК ПРАМОТРОНИК ку
16ЖД248106200 Блок управления 24В для 16ЖД24.8106.200 ПРАМОТРОНИК ПРАМОТРОНИК ку
Подключение блока управления прамотроник 16жд24 http://www.pramotronic.ru/store/podogrevateli_16_seriya_gp/. Фотография из альбо
http://www.pramotronic.ru/store/podogrevateli_16_seriya_gp/. Фотография из альбо
Подключение блока управления прамотроник 16жд24 16ЖД24-8106200у Блок управления 16ЖД24.8106.200 (18ЖД24.8106.200) на подогревате
16ЖД24-8106200у Блок управления 16ЖД24.8106.200 (18ЖД24.8106.200) на подогревате
Подключение блока управления прамотроник 16жд24 Отопитель ПЖД12 - Автозапчасти и автоХитрости
Отопитель ПЖД12 - Автозапчасти и автоХитрости
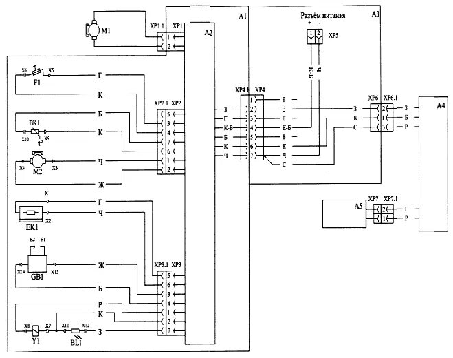
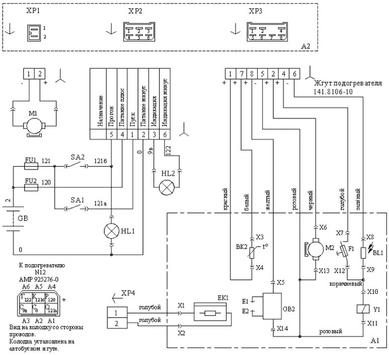
Подключение блока управления прамотроник 16жд24 Блок управления подогревателем 16ЖД24
Блок управления подогревателем 16ЖД24
Подключение блока управления прамотроник 16жд24 ЯЯЯ 16ЖД24.8106.200 *** 24В (Прамотроник)` Блок управления ПЖП 16ЖД24, все ТС //
ЯЯЯ 16ЖД24.8106.200 *** 24В (Прамотроник)` Блок управления ПЖП 16ЖД24, все ТС //
Подключение блока управления прамотроник 16жд24 Автономный подогреватель предпусковой Прамотроник 15.8106.000-15, 24В 15 кВт . П
Автономный подогреватель предпусковой Прамотроник 15.8106.000-15, 24В 15 кВт . П
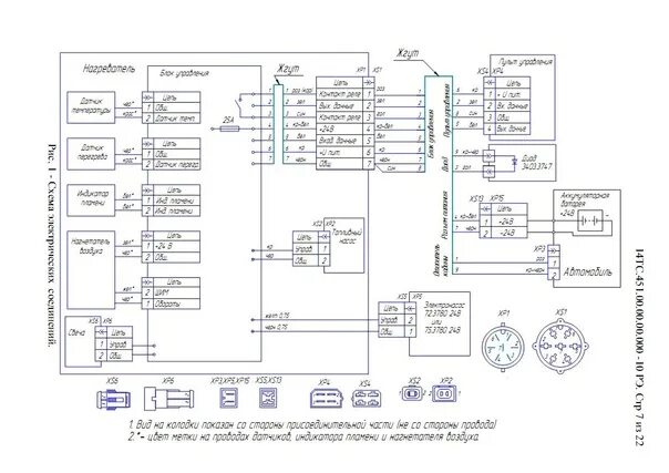
Подключение блока управления прамотроник 16жд24 ПРАМОТРОНИК 141.8106.000 - Автозапчасти и автоХитрости
ПРАМОТРОНИК 141.8106.000 - Автозапчасти и автоХитрости
Подключение блока управления прамотроник 16жд24 18ЖД24.8106.200 у Блок управления 16ЖД24 - Элтра-Термо бренд Элтра-Термо купить
18ЖД24.8106.200 у Блок управления 16ЖД24 - Элтра-Термо бренд Элтра-Термо купить
Подключение блока управления прамотроник 16жд24 блок управления ПЖД-16 "Прамотроник/Калуга" 18ЖД24.8106.200 / электропроводка /
блок управления ПЖД-16 "Прамотроник/Калуга" 18ЖД24.8106.200 / электропроводка /
Подключение блока управления прамотроник 16жд24 18ЖД24.8106.200 Блок управления 16ЖД24 КамАЗ - купить в Набережных Челнах по цен
18ЖД24.8106.200 Блок управления 16ЖД24 КамАЗ - купить в Набережных Челнах по цен
Подключение блока управления прамотроник 16жд24 Отопитель AIRTRONIC D5 - Автозапчасти и автоХитрости
Отопитель AIRTRONIC D5 - Автозапчасти и автоХитрости
Подключение блока управления прамотроник 16жд24 ПРАМОТРОНИК 15.8106 - Автозапчасти и автоХитрости
ПРАМОТРОНИК 15.8106 - Автозапчасти и автоХитрости
Подключение блока управления прамотроник 16жд24 ПРАМОТРОНИК 16ЖД24 - Автозапчасти и автоХитрости
ПРАМОТРОНИК 16ЖД24 - Автозапчасти и автоХитрости
Подключение блока управления прамотроник 16жд24 ПРАМОТРОНИК 141.8106.000 - Автозапчасти и автоХитрости
ПРАМОТРОНИК 141.8106.000 - Автозапчасти и автоХитрости
Подключение блока управления прамотроник 16жд24 ПРАМОТРОНИК 4Д-24 - Автозапчасти и автоХитрости
ПРАМОТРОНИК 4Д-24 - Автозапчасти и автоХитрости
Подключение блока управления прамотроник 16жд24 Блок управления 16ЖД24.8106.200 (замена 18ЖД24.8106.200) ПРАМОТРОНИК купить по в
Блок управления 16ЖД24.8106.200 (замена 18ЖД24.8106.200) ПРАМОТРОНИК купить по в
Подключение блока управления прамотроник 16жд24 Блок управления ПЖД 16ЖД24.8106.200
Блок управления ПЖД 16ЖД24.8106.200
Подключение блока управления прамотроник 16жд24 Купить Блок управления 16ЖД24.8106.200 у в интернет-магазине ТермАвто . Официаль
Купить Блок управления 16ЖД24.8106.200 у в интернет-магазине ТермАвто . Официаль
Подключение блока управления прамотроник 16жд24 Блок управления пжд 16 прамотроник - купить по низкой цене на Яндекс Маркете
Блок управления пжд 16 прамотроник - купить по низкой цене на Яндекс Маркете
Подключение блока управления прамотроник 16жд24 Блок управления подогревателем 24В Прамотроник 16ЖД-24 ЗАО ПРАМОТРОНИК 18ЖД24.81
Блок управления подогревателем 24В Прамотроник 16ЖД-24 ЗАО ПРАМОТРОНИК 18ЖД24.81
Подключение блока управления прамотроник 16жд24 Блок управления 16ЖД24.8106.200 Термо 4 для ПЖД-16ЖД24 купить во Владивостоке по
Блок управления 16ЖД24.8106.200 Термо 4 для ПЖД-16ЖД24 купить во Владивостоке по
Подключение блока управления прамотроник 16жд24 Отопитель ПЖД12 - Автозапчасти и автоХитрости
Отопитель ПЖД12 - Автозапчасти и автоХитрости
Подключение блока управления прамотроник 16жд24 Блок управления 12ЖД24.8106.200-01 у купить по выгодной цене в интернет-магазине
Блок управления 12ЖД24.8106.200-01 у купить по выгодной цене в интернет-магазине
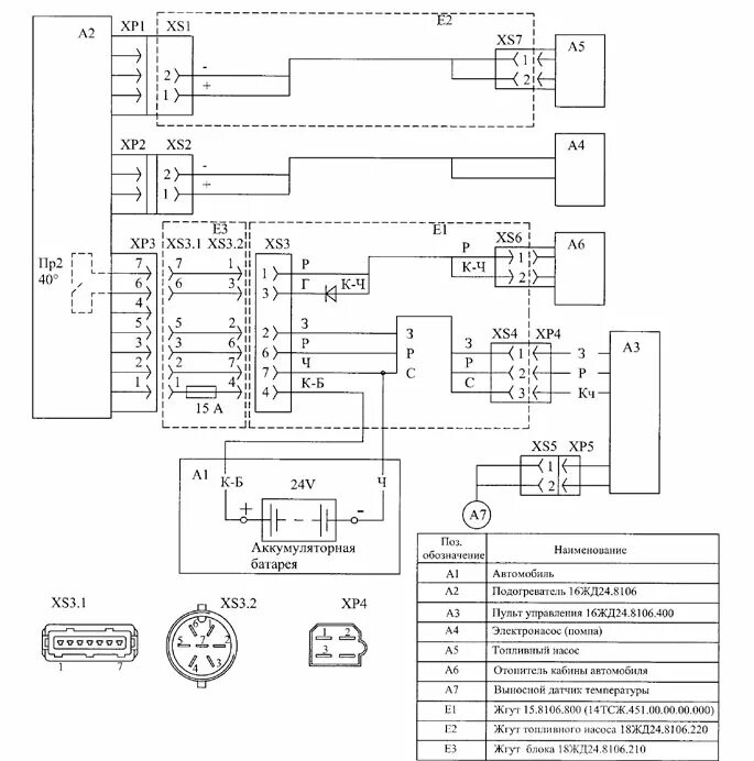
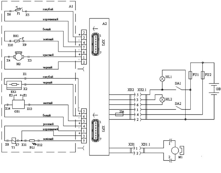
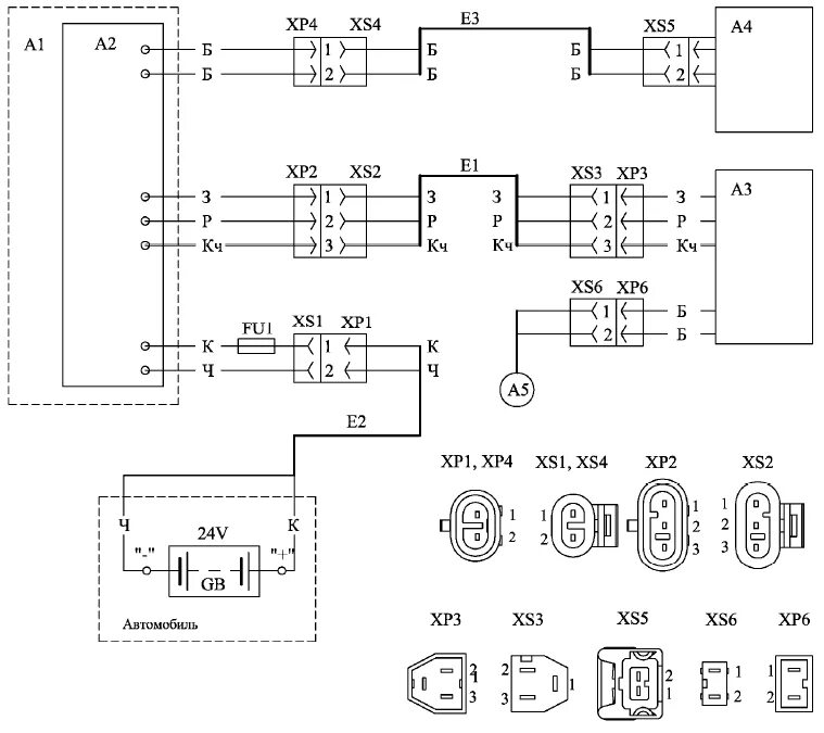
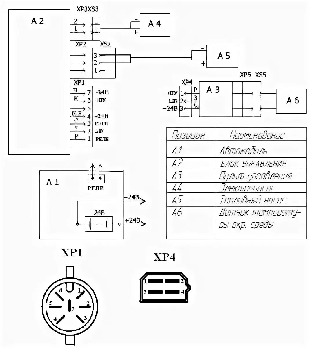
Подключение блока управления прамотроник 16жд24 Прамотроник 12жд24 схема фото
Прамотроник 12жд24 схема фото
Подключение блока управления прамотроник 16жд24 Купить 18ЖД24.8106.200 Блок управления КАМАЗ,МАЗ,ЗИЛ,КРАЗ,УРАЛ ПЖД 16ЖД24 ЭЛТРА-
Купить 18ЖД24.8106.200 Блок управления КАМАЗ,МАЗ,ЗИЛ,КРАЗ,УРАЛ ПЖД 16ЖД24 ЭЛТРА-
Подключение блока управления прамотроник 16жд24 Прамотроник как работает на КАМАЗе
Прамотроник как работает на КАМАЗе