Смотреть видео: Подключение блока управления раздаткой ниссан навара д40



Подключение блока управления раздаткой ниссан навара д40

Подключение блока управления раздаткой ниссан навара д40 подшипники раздатки. меняем парочку или как я отпраздновал 23 февраля - Nissan N
подшипники раздатки. меняем парочку или как я отпраздновал 23 февраля - Nissan N
Подключение блока управления раздаткой ниссан навара д40 Как я когда-то победил сломатую АБС или включаем полный привод через ж…кнопачку
Как я когда-то победил сломатую АБС или включаем полный привод через ж…кнопачку
Подключение блока управления раздаткой ниссан навара д40 Купить Блок управления раздаточной коробки Nissan Navara 2004-2015г. 33084-3X42A
Купить Блок управления раздаточной коробки Nissan Navara 2004-2015г. 33084-3X42A
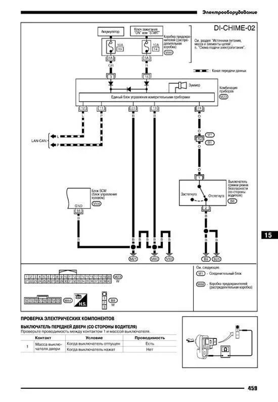
Подключение блока управления раздаткой ниссан навара д40 Nissan electrical schematics #9 Nissan navara, Nissan pulsar, Nissan
Nissan electrical schematics #9 Nissan navara, Nissan pulsar, Nissan
Подключение блока управления раздаткой ниссан навара д40 Купить ЭБУ Раздатки Nissan Pathfinder R51 33084EB41A в Москве по цене: 1 500 ₽ -
Купить ЭБУ Раздатки Nissan Pathfinder R51 33084EB41A в Москве по цене: 1 500 ₽ -
Подключение блока управления раздаткой ниссан навара д40 Ego Wiring Diagram
Ego Wiring Diagram
Подключение блока управления раздаткой ниссан навара д40 330843X42C Блок электронный Nissan Navara (D40) 2008 купить бу в Уфе по цене 526
330843X42C Блок электронный Nissan Navara (D40) 2008 купить бу в Уфе по цене 526
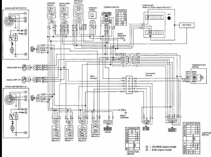
Подключение блока управления раздаткой ниссан навара д40 Nissan navara wiring diagram pdf Nissan navara, Nissan, Diagram
Nissan navara wiring diagram pdf Nissan navara, Nissan, Diagram
Подключение блока управления раздаткой ниссан навара д40 Схема ниссан патфайндер r51 дизель 2.5 - найдено 87 картинок
Схема ниссан патфайндер r51 дизель 2.5 - найдено 87 картинок
Подключение блока управления раздаткой ниссан навара д40 Схема ниссан навара - найдено 84 картинок
Схема ниссан навара - найдено 84 картинок
Подключение блока управления раздаткой ниссан навара д40 У вас ещё не клинил привод раздатки? Ожидайте . - Nissan Navara, 2.5 л., 2006 го
У вас ещё не клинил привод раздатки? Ожидайте . - Nissan Navara, 2.5 л., 2006 го
Подключение блока управления раздаткой ниссан навара д40 Купить книгу по ремонту и эксплуатации Nissan Navara D40 с 2005
Купить книгу по ремонту и эксплуатации Nissan Navara D40 с 2005
Подключение блока управления раздаткой ниссан навара д40 330843X42D Блок управления раздаткой Nissan Frontier II (D40) 2004 - 2010 2010 ,
330843X42D Блок управления раздаткой Nissan Frontier II (D40) 2004 - 2010 2010 ,
Подключение блока управления раздаткой ниссан навара д40 Блок управления АКПП Nissan Navara (D40) 2004-2015 Festima.Ru - частные объявлен
Блок управления АКПП Nissan Navara (D40) 2004-2015 Festima.Ru - частные объявлен
Подключение блока управления раздаткой ниссан навара д40 Купить Блок управления раздаткой Nissan Navara 2005-2015 5278545 в Москве по цен
Купить Блок управления раздаткой Nissan Navara 2005-2015 5278545 в Москве по цен
Подключение блока управления раздаткой ниссан навара д40 Блок управления раздаткой Ниссан Икстерра купить в Миассе! Цены на новые и контр
Блок управления раздаткой Ниссан Икстерра купить в Миассе! Цены на новые и контр
Подключение блока управления раздаткой ниссан навара д40 33084EA317 Блок управления раздаткой Nissan Pathfinder III (R51) 2004 - 2010 200
33084EA317 Блок управления раздаткой Nissan Pathfinder III (R51) 2004 - 2010 200
Подключение блока управления раздаткой ниссан навара д40 блок блок управления раздаткой navara d40 330843x42a купить бу в Краснодаре Z200
блок блок управления раздаткой navara d40 330843x42a купить бу в Краснодаре Z200
Подключение блока управления раздаткой ниссан навара д40 Купить Блок управления раздаточной коробки Nissan Navara 2008 bel-40753_20000011
Купить Блок управления раздаточной коробки Nissan Navara 2008 bel-40753_20000011
Подключение блока управления раздаткой ниссан навара д40 33084ZS41A Блок управления раздаткой Nissan Pathfinder III (R51) 2004 - 2010 200
33084ZS41A Блок управления раздаткой Nissan Pathfinder III (R51) 2004 - 2010 200
Подключение блока управления раздаткой ниссан навара д40 Электропривод (сервопривод) раздаточной коробки Nissan Navara (D40) купить по це
Электропривод (сервопривод) раздаточной коробки Nissan Navara (D40) купить по це
Подключение блока управления раздаткой ниссан навара д40 3X42D Nissan Navara Блок управления ЭБУ Раздаткой 2005 2015 2006 бу купить AC285
3X42D Nissan Navara Блок управления ЭБУ Раздаткой 2005 2015 2006 бу купить AC285
Подключение блока управления раздаткой ниссан навара д40 Блок управления раздаткой Nissan Navara(Frontier) D40 2005-2010 33084EA302 купит
Блок управления раздаткой Nissan Navara(Frontier) D40 2005-2010 33084EA302 купит
Подключение блока управления раздаткой ниссан навара д40 Блок управления раздаткой Nissan Navara 2005-2015 - купить в интернет-магазине п
Блок управления раздаткой Nissan Navara 2005-2015 - купить в интернет-магазине п
Подключение блока управления раздаткой ниссан навара д40 Купить Блок управления раздаткой Nissan Navara D40 2005-2009 33084EA302 2.5 YD25
Купить Блок управления раздаткой Nissan Navara D40 2005-2009 33084EA302 2.5 YD25
Подключение блока управления раздаткой ниссан навара д40 Блок управления раздаточной коробкой Nissan Navara D40 купить по цене 1210руб. 3
Блок управления раздаточной коробкой Nissan Navara D40 купить по цене 1210руб. 3
Подключение блока управления раздаткой ниссан навара д40 330843x42a блок блок управления раздаткой nissan navara d40 2 , 5 купить бу Z147
330843x42a блок блок управления раздаткой nissan navara d40 2 , 5 купить бу Z147
Подключение блока управления раздаткой ниссан навара д40 Блок управления раздаточной коробкой ГосРазбор
Блок управления раздаточной коробкой ГосРазбор
Подключение блока управления раздаткой ниссан навара д40 Nissan Navara Блок управления раздаточной коробкой 2005-2015 арт. 00001236951, н
Nissan Navara Блок управления раздаточной коробкой 2005-2015 арт. 00001236951, н
Подключение блока управления раздаткой ниссан навара д40 Блок управления раздаткой Ниссан Навара 33084EA302 купить в Москве Объявления о
Блок управления раздаткой Ниссан Навара 33084EA302 купить в Москве Объявления о