Смотреть видео: Подключение бойлера к котлу протерм медведь



Подключение бойлера к котлу протерм медведь

Подключение бойлера к котлу протерм медведь Протерм Скат (RAY) KE 14 подключение и настройка.
Протерм Скат (RAY) KE 14 подключение и настройка.
Подключение бойлера к котлу протерм медведь Схемы подключения сигнализации Умный Часовой-4 к отопительным котлам
Схемы подключения сигнализации Умный Часовой-4 к отопительным котлам
Подключение бойлера к котлу протерм медведь Электрокотел Протерм - отзывы, инструкция, модели
Электрокотел Протерм - отзывы, инструкция, модели
Подключение бойлера к котлу протерм медведь 30 plo protherm фото - DelaDom.ru
30 plo protherm фото - DelaDom.ru
Подключение бойлера к котлу протерм медведь Как подключить газовый котел протерм к электричеству: Как правильно подключить к
Как подключить газовый котел протерм к электричеству: Как правильно подключить к
Подключение бойлера к котлу протерм медведь Схемы подключения котлов Protherm к модулю Кситал GSM
Схемы подключения котлов Protherm к модулю Кситал GSM
Подключение бойлера к котлу протерм медведь Protherm медведь 20 (30, 40, 50) klom инструкция для отопительного котла
Protherm медведь 20 (30, 40, 50) klom инструкция для отопительного котла
Подключение бойлера к котлу протерм медведь И снова вопрос по котлу (покупкка) - обсуждение (1257791) на форуме nn.ru
И снова вопрос по котлу (покупкка) - обсуждение (1257791) на форуме nn.ru
Подключение бойлера к котлу протерм медведь КАК ПОДКЛЮЧИТЬ КОТЁЛ ПРОТЕРМ КЛОМ 50 К БОЙЛЕРУ - YouTube
КАК ПОДКЛЮЧИТЬ КОТЁЛ ПРОТЕРМ КЛОМ 50 К БОЙЛЕРУ - YouTube
Подключение бойлера к котлу протерм медведь Картинки ПРОТЕРМ КОТЛЫ СХЕМА ПОДКЛЮЧЕНИЯ
Картинки ПРОТЕРМ КОТЛЫ СХЕМА ПОДКЛЮЧЕНИЯ
Подключение бойлера к котлу протерм медведь Картинки ПРОТЕРМ КОТЛЫ СХЕМА ПОДКЛЮЧЕНИЯ
Картинки ПРОТЕРМ КОТЛЫ СХЕМА ПОДКЛЮЧЕНИЯ
Подключение бойлера к котлу протерм медведь Подключение напольного котла Protherm Медведь KLOM к блоку управления котлом Кси
Подключение напольного котла Protherm Медведь KLOM к блоку управления котлом Кси
Подключение бойлера к котлу протерм медведь Схема protherm st6 10
Схема protherm st6 10
Подключение бойлера к котлу протерм медведь 30 plo protherm фото - DelaDom.ru
30 plo protherm фото - DelaDom.ru
Подключение бойлера к котлу протерм медведь Датчик температуры для котла отопления: что это за устройство, классификация, со
Датчик температуры для котла отопления: что это за устройство, классификация, со
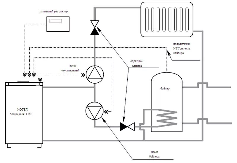
Подключение бойлера к котлу протерм медведь Комплект для соединения бойлера B100MS и котла МЕДВЕДЬ KLOM арт. 0010006491 Афон
Комплект для соединения бойлера B100MS и котла МЕДВЕДЬ KLOM арт. 0010006491 Афон
Подключение бойлера к котлу протерм медведь Напольный одноконтурный газовый котёл Protherm Медведь PLO на 49 кВт
Напольный одноконтурный газовый котёл Protherm Медведь PLO на 49 кВт
Подключение бойлера к котлу протерм медведь Напольный газовый котел 50 KLOMR Медведь, , Напольные, Protherm, Отопление, водо
Напольный газовый котел 50 KLOMR Медведь, , Напольные, Protherm, Отопление, водо
Подключение бойлера к котлу протерм медведь Protherm Медведь 30 KLZ 31/36 Схема подключения внешнего оснащения
Protherm Медведь 30 KLZ 31/36 Схема подключения внешнего оснащения
Подключение бойлера к котлу протерм медведь Котёл PROTHERM KLOM 17. Настройка.
Котёл PROTHERM KLOM 17. Настройка.
Подключение бойлера к котлу протерм медведь Protherm B200S емкостный водонагреватель косвенного нагрева для котлов WaterStor
Protherm B200S емкостный водонагреватель косвенного нагрева для котлов WaterStor
Подключение бойлера к котлу протерм медведь Протерм plo 30 подключение бойлера - 98 фото
Протерм plo 30 подключение бойлера - 98 фото
Подключение бойлера к котлу протерм медведь как подсоединить к котлу KLOM внешний бойлер - YouTube
как подсоединить к котлу KLOM внешний бойлер - YouTube
Подключение бойлера к котлу протерм медведь Подключение термостата к газовому котлу: как подключить комнатный терморегулятор
Подключение термостата к газовому котлу: как подключить комнатный терморегулятор
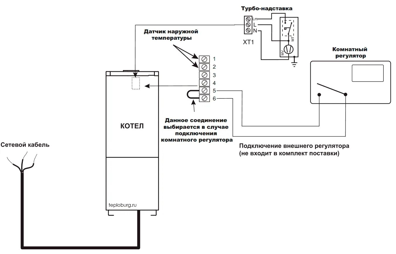
Подключение бойлера к котлу протерм медведь Установка и подключение турбонадставки к котлу Protherm klom 17
Установка и подключение турбонадставки к котлу Protherm klom 17
Подключение бойлера к котлу протерм медведь Газовый котел Protherm Медведь 30 KLZ: двухконтурная и одноконтурная модели, инс
Газовый котел Protherm Медведь 30 KLZ: двухконтурная и одноконтурная модели, инс
Подключение бойлера к котлу протерм медведь Картинки ПРОТЕРМ КОТЛЫ СХЕМА ПОДКЛЮЧЕНИЯ
Картинки ПРОТЕРМ КОТЛЫ СХЕМА ПОДКЛЮЧЕНИЯ
Подключение бойлера к котлу протерм медведь Датчик бойлера протерм klom - Каталог продукции
Датчик бойлера протерм klom - Каталог продукции
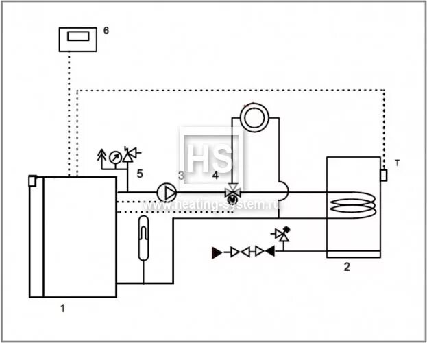
Подключение бойлера к котлу протерм медведь Protherm KLOM: подключение бойлера и дополнительных устройств
Protherm KLOM: подключение бойлера и дополнительных устройств
Подключение бойлера к котлу протерм медведь Protherm KLOM: подключение бойлера и дополнительных устройств
Protherm KLOM: подключение бойлера и дополнительных устройств