Смотреть видео: Подключение led панели



Подключение led панели

Подключение led панели Контроллер для светодиодов Arlight DALI-104-MIX-DT8-SUF - Контроллеры для светод
Контроллер для светодиодов Arlight DALI-104-MIX-DT8-SUF - Контроллеры для светод
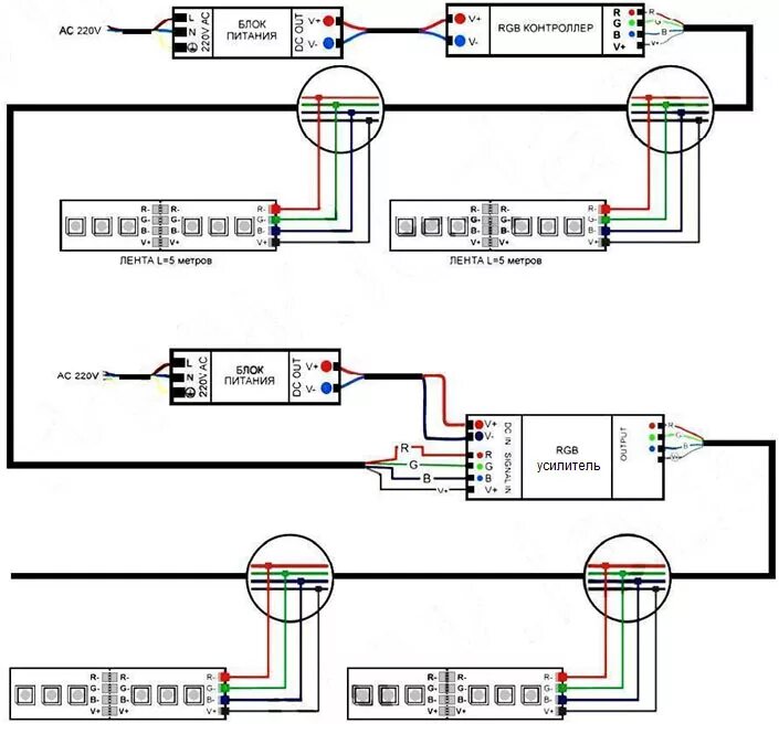
Подключение led панели Схемы установки светодиодных лент
Схемы установки светодиодных лент
Подключение led панели Типы/Светодиодная подсветка/Комплектующие для лент Arlight Усилитель RGB Arlight
Типы/Светодиодная подсветка/Комплектующие для лент Arlight Усилитель RGB Arlight
Подключение led панели Как подключить светодиодную ленту для дома к сети 220В схема. Подключение светод
Как подключить светодиодную ленту для дома к сети 220В схема. Подключение светод
Подключение led панели Как соединить светодиодную ленту - 3 вида коннекторов. Подключение между собой б
Как соединить светодиодную ленту - 3 вида коннекторов. Подключение между собой б
Подключение led панели Our LED Strip Lights Installation Guide LEDSAVE
Our LED Strip Lights Installation Guide LEDSAVE
Подключение led панели Подключение RGB ленты (схема с контроллером на пульт и без него, распиновка)
Подключение RGB ленты (схема с контроллером на пульт и без него, распиновка)
Подключение led панели Светодиодная лента с датчиком движения: как подключить сенсор для организации эф
Светодиодная лента с датчиком движения: как подключить сенсор для организации эф
Подключение led панели Схемы подключения лент - компания Экосвет
Схемы подключения лент - компания Экосвет
Подключение led панели ГРОЗД СП-67 светодиодная световая панель на автомобиль - РедАлети Студия
ГРОЗД СП-67 светодиодная световая панель на автомобиль - РедАлети Студия
Подключение led панели Диммер постоянного тока для светодиодных лент, контроллер с 3 клавишами, яркость
Диммер постоянного тока для светодиодных лент, контроллер с 3 клавишами, яркость
Подключение led панели Светодиодная подсветка на кухню под шкафы с датчиками движения: как установить к
Светодиодная подсветка на кухню под шкафы с датчиками движения: как установить к
Подключение led панели Схемы светодиодного освещения: найдено 83 изображений
Схемы светодиодного освещения: найдено 83 изображений
Подключение led панели Большая светодиодная панель LM-72-6V - Gnativ.ru
Большая светодиодная панель LM-72-6V - Gnativ.ru
Подключение led панели экраны - Система управления экраном
экраны - Система управления экраном
Подключение led панели Супер тонкая потолочная панель 600x600 без мерцания RGB дистанционное управление
Супер тонкая потолочная панель 600x600 без мерцания RGB дистанционное управление
Подключение led панели Ответы Mail.ru: Что надо для подключения 20м светодиодной ленты
Ответы Mail.ru: Что надо для подключения 20м светодиодной ленты
Подключение led панели Как подключить светодиодную ленту - схемы подключения питания через блок и без б
Как подключить светодиодную ленту - схемы подключения питания через блок и без б
Подключение led панели СВЕТОСИГНАЛЬНЫЕ ПАНЕЛИ: Светосигнальная панель ГРОЗД СП-83/1 , СП-83/1С
СВЕТОСИГНАЛЬНЫЕ ПАНЕЛИ: Светосигнальная панель ГРОЗД СП-83/1 , СП-83/1С
Подключение led панели ЭРА SPO-6-36-6K-M Светодиодная панель 595x595x19 36Вт/3000Лм/IP20/6500К Матовый
ЭРА SPO-6-36-6K-M Светодиодная панель 595x595x19 36Вт/3000Лм/IP20/6500К Матовый
Подключение led панели Outdoor Montage Ce & Rohs Led-modul Für Optische Shop Schild - Buy Led-modul Rgb
Outdoor Montage Ce & Rohs Led-modul Für Optische Shop Schild - Buy Led-modul Rgb
Подключение led панели Rack PDU PX3-5520R-E2 Product Selector - Raritan
Rack PDU PX3-5520R-E2 Product Selector - Raritan
Подключение led панели Как выбрать и подключить светодиодную ленту - пошаговая инструкция по использова
Как выбрать и подключить светодиодную ленту - пошаговая инструкция по использова
Подключение led панели Диффузионная Пластина Ps В Серебряной Рамке 40 Вт,Квадратная Плоская Светодиодна
Диффузионная Пластина Ps В Серебряной Рамке 40 Вт,Квадратная Плоская Светодиодна
Подключение led панели Светодиодная панель 12Вт (на этот раз Smart).
Светодиодная панель 12Вт (на этот раз Smart).
Подключение led панели 2700-6500k Tunable सफेद एलईडी पैनल प्रकाश 600x1200 600x600 40w वायरलेस आपातकालीन
2700-6500k Tunable सफेद एलईडी पैनल प्रकाश 600x1200 600x600 40w वायरलेस आपातकालीन
Подключение led панели Потолочная Панель Светлая Горячая! Tuv Ce Rohs 45 Вт 600 600 Мм 5 Лет Гарантии П
Потолочная Панель Светлая Горячая! Tuv Ce Rohs 45 Вт 600 600 Мм 5 Лет Гарантии П
Подключение led панели Как установить подвесные светильники?
Как установить подвесные светильники?
Подключение led панели 36 Вт Epistar большой дешевые 6060 из светодиодов панели Alibaba.com
36 Вт Epistar большой дешевые 6060 из светодиодов панели Alibaba.com
Подключение led панели Офисные светодиодные панели SPL-5 ЭРА 595x595 IP40
Офисные светодиодные панели SPL-5 ЭРА 595x595 IP40